L'Air du Bois est une plateforme Open Source de partage collaboratif ouverte à tous les amoureux du travail du bois. (En savoir plus)

Rejoindre l'Air du Bois Se connecter

Xavier

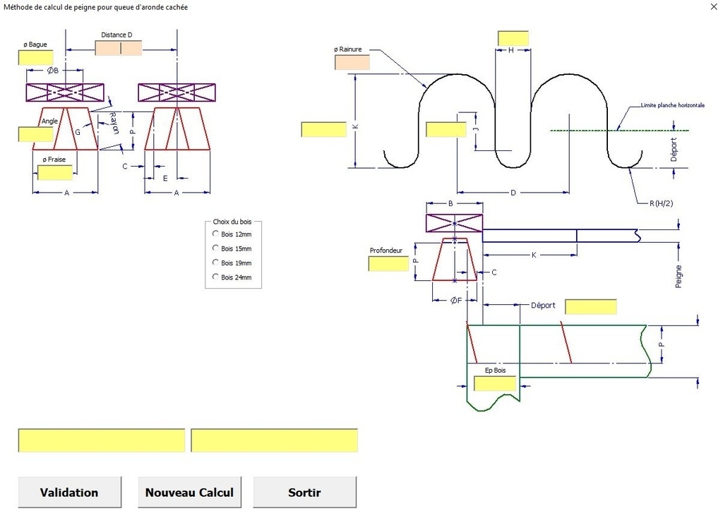
Calcul de peigne pour queue d'aronde mis à jour octobre 2022


Bonsoir à toutes et tous,

J'ai apporté quelques modifications et changé légèrement la présentation.
Tout fonctionne parfaitement sous Windows et Excel sur mon PC.
Les valeurs sont justes.


Discussions

Xavier  a publié le plan "Calcul de peigne pour queue d'aronde mis à jour octobre 2022".
il y a 3 ans
Connectez-vous pour ajouter un commentaire.
1 220 vues
0 commentaire
301 téléchargements

Caractéristiques

117 Ko  Taille
 1 fichier

Publications associées

0 collection

Licence

Licence Creative Commons
Autres plans de Xavier 
Voir aussi