L'Air du Bois est une plateforme Open Source de partage collaboratif ouverte à tous les amoureux du travail du bois. (En savoir plus)

Rejoindre l'Air du Bois Se connecter

zebulette

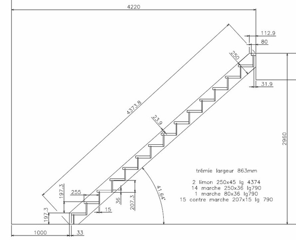
Escalier droit avec contremarches


PLAN ESCALIER AVEC CONTREMARCHES, AINSI QUE LA METHODE D'USINAGE DES LIMONS


Discussions

zebulette  a publié le plan "Escalier droit avec contremarches".
il y a 9 ans
Connectez-vous pour ajouter un commentaire.
3 059 vues
0 commentaire
407 téléchargements

Caractéristiques

AutoCAD  Format
70 Ko  Taille
 1 fichier

Publications associées

0 collection
Autres plans de zebulette 
Voir aussi