Bonjour,
Je pense avoir un problème électrique sur ma XTZ30 (scie + toupie 3000/6000).
J'ai bossé avec la toupie ce matin. Aucun problème. Je fais une pause et je veux reprendre : aucun moteur ne démarre.
J'ai vérifié :
- 3 fusibles : ok
- contacteur : reste ouvert, quand je le ferme "manuellement", les moteurs démarrent
C'est comme si le bouton de démarrage ne commandait plus le contacteur ...
Une bonne idée pour moi ?
Merci bcp
Bernard
2 réponses

Bonsoir
Vérifier les contacts de sécurité.
Et la ligne de commande du contacteur.
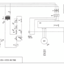
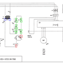
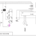
Et publier les schémas électrique de votre machine.

Merci bcp.
Je ne sais pas ce que sont les contacts de sécurité... ce sont les 2 boutons d'arrêt d'urgence ? Comment puis-je les vérifier ?

Il y a sûrement un contact de sécurité sur la porte de la toupie (S1) un coup de soufflette suffit souvent pour que ça reparte. Sinon vérifier si l'alimentation 24v débité. Il se peut que la bobine du contacteur KM1 soit cramée. L'alimenter direct en 24 sur A1 et A2 sans passer par les AU et S1, si ok c'est le contact S1 qui pose souci ou un AU débranché.

Première chose à vérifier : la présence de 24V en sortie de transfo (carrés bleus).
Si oui, vérifier la présence de 24V au niveau des carrés rouges.
Si oui, appuyer sur start tout en contrôlant la présence de 24V au niveau des carrés roses.
Si oui, c'est que la bobine de K1 est morte => changer K1. Si non, c'est que le bouton start ne fonctionne pas => changer le bouton.
S'il n'y a pas de 24V au niveau des carrés rouges, alors laisser une pointe de touche de ton multimètre en aval de K1 (carré rouge du bas), et avec l'autre pointe de touche, tester chaque carré vert à partir de 95, dans l'ordre. Chaque carré vert est censé être alimenté, donc le premier qui n'aura pas ses 24V est le maillon faible => tu le sors !

J’ai un peu de mal à faire la correspondance entre le schéma électrique et le coffret électrique de ma machine. J’abuse si je vous demande de faire la correspondance entre les 2 à partir de la photo jointe ?

Pas de souci mais il faudrait déplacer un peu les câbles pour laisser apparaître les inscriptions sur le transfo.
NB : tout le circuit qui nous intéresse semble être câblé avec les fils rouges.

Et d'une manière générale, déplacer un peu les fils noirs pour bien voir tous les rouges, d'où ils partent et où ils arrivent.

Bon ben voilà !
1) machine sous tension, contrôler qu'il y a du 24V sur les deux fils rouges sortant du transfo, pas besoin d'image.
2) toujours machine sous tension, appuyer sur start, et si ça ne démarre pas, maintenir le bouton start appuyé et contrôler la présence de 24V entre A1 et A2.
Déjà on y verra plus clair. Pour la suite on fera hors tension.

Déjà un tout grand merci pour le temps passé.
1) du coté du "machin noir" sous le contacteur : je l'ai repositionné et j'ai testé en appuyant sur le petit plastique blanc de réarmement -> rien. Il était déjà bien enfoncé, il n'a pas bougé qd j'ai appuyé dessus.
2) du côté câblage rouge :
- au transfo : 26V
- en A1 et A2 : 0V en appuyant sur start ...
J'imagine que c'est pê bien le bouton alors ? Il y a p-ê un moyen de le tester ?

Non justement, s'il y a 0V sur A1-A2, c'est qu'il y a un élément qui dit "stop" dans toute la chaîne des protections (AU1, AU2, EB, S1 et bouton stop). Donc maintenant il faut tester tous les carrés verts !
Donc machine hors tension, débranchée (le fait de débrancher fait une coupure visible, et tu sais qu'aucun courant ne peut passer d'aucune manière).
Tester la continuité (multimètre réglé sur ohmmètre) entre le point bleu de gauche (le 0 sur le transfo) et le rouge du bas (A1). L'ohmmètre doit afficher 0.
Puis entre le point bleu de droite (le 24 sur le transfo) et chaque point vert jusqu'à S1 (borne 13). "eb" correspond au thermique, tu as déjà la borne 95 (il suffit de suivre le fil du transfo jusqu'au thermique), il faut trouver la borne 96 (cachée ?), puis continuer comme indiqué précédemment.
NB : S1 semble être le commutateur rotatif, qui a un contact qui se ferme quand il n'est pas en position 0. Ça peut être lui aussi qui est HS, et ta machine ne démarre pas tant qu'il est sur 0.

0 du transfo -> A1 : ça passe
24 du transfo -> toute la chaine de 95 à stop 2 : ça passe aussi ; j'ai une dizaine d'ohm au niveau de au2, S1 et Stop mais je suppose que ce n'est pas significatif.
NB : S1 est un stop supplémentaire (un bouton d'arrêt d'urgence situé sur un côté de la machine).

Bonjour,
J'ai suivi les remarques Ara et les vôtres.
Aux vues de votre dernière réponse, il doit y avoir un problème avec vos mesures à l'ohmètre.
En faisant attention de ne pas faire de court-circuit !
1: Remettre la tension sur la machine.
2: Changer et passer en mode multimètre
3: Tester le 24V entre la sortie du transfo (carré bleu)
Vous devriez toujours mesurez 26V.
4: En gardant une pointe de test sur le carré bleu de gauche sortie transfo et l'autres vous la déplacer sur la bornes EB1 95
5: Puis EB1 96, puis chaque carré vert
6: Et "suivre" ainsi la tension, a chaque fois vous devriez avoir 26 V. Lorsque vous perdez les 26v vous avez trouvez l'élément en défaut.
Toujours bien faire attention au court-circuit pour éviter tous dommage corporel et ou matériel.

En effet 10 ohm ce n'est pas significatif. S1, c'est ce que j'ai mis sur la photo ci-dessous, et s'il y a 3 arrêts d'urgence au lieu de 2, le 3ème pourrait bien être connecté au câble gris plus fin que les autres, branché tout à droite du grand bornier. Mais ce n'est pas le sujet.
La méthode d'AERLRO est bonne, tu peux la dérouler jusqu'à la borne 3 de Start, puis sa borne 4 en appuyant sur le bouton (enfin perso je n'aime pas trop ça, c'est toujours mieux de dépanner hors tension quand on le peut).
Si tu avais 10 ohm entre "24V transfo" et "Stop2", il reste à vérifier, par une méthode ou un autre, qu'il y a bien continuité entre stop 2 et start 3, et ensuite s'il n'y a plus rien en start 4, c'est que le bouton start est HS.

Oui, car attention, ce genre de recherche se fait sous tension, donc évidemment c'est dangereux (de même que si la machine finit par démarrer, il ne faut pas avoir les pattes dedans).
D'ailleurs une autre méthode pour en faire une partie hors tension, c'est de tester la continuité (multimètre réglé sur ohmmètre) entre le point bleu de gauche et le rouge du bas (il doit afficher 0), puis entre le point bleu de droite et chaque point vert jusqu'à S1 (borne 13), puis S1 borne 14 jusqu'au point rouge 3, puis jusqu'au point rose du haut en appuyant sur le bouton.
Et pour les tests sous tension, ne pas oublier que pour le contacteur K1, il doit y avoir deux bornes marquées A1 et A2 (ce sont celles qui nous intéressent), mais que quelques millimètres plus loin il y a les bornes 1 à 6 avec du 400V... En cas de doute abstiens-toi !

Si tu as bien vérifié qu'il n'y ait pas un contact de sécurité qui ne soit pas resté ouvert, sur une porte ou trappe d'accès, un arrêt d'urgence qui soit resté enclenché (quoique normalement, ça ne devrait pas démarrer, même avec un simple appui), la première cause de ce genre de souci vient souvent d'un contacteur qui ne peut plus s'enclencher correctement, du fait de poussière/sciure accumulé dedans.
La première intervention, après les contrôles évoqués plus haut, est donc de nettoyer au niveau de ces boutons, qui ne parfois plus étanches à la poussière.
Vous n'êtes pas autorisé à indiquer votre accord ou désaccord vos propres contributions.
L'adresse e-mail associée à votre compte doit être confirmée avant de pouvoir indiquer votre accord ou désaccord.
Ceci dit, sur la photo suivante, le machin noir semble être de travers... Ça a l'air d'être une protection thermique, connectée directement au contacteur.
1) Ce serait bien qu'il soit droit, et bien embroché dans le contacteur (à faire impérativement hors tension, machine débranchée) : dévisser le bornes 2-4-6, le remettre droit et revisser.
2) La petite bibite blanche entourée en vert, c'est le réarmement de la protection. Appuyer dessus et voir si la machine redémarre. Si oui, c'est qu'un moteur a forcé pendant quelques secondes et que ce machin noir l'a protégé.
Bonjour Ara,
Ce composant est un relais thermique, il sert à protéger les moteurs des surcharges faibles prolongées (le temps de déclenchement se règle sur la petite molette en façade avec les inscriptions)
Je pense que c'est l'exiguïté du coffret qui a amené à l'utilisation de cet organe de protection, autrement, avec un peu plus d'espace, on utilise plutôt un disjoncteur magnéto-thermique qui protège aussi contre les surintensités...
Mais au fait, tu as peut-être donné la solution de l'énigme ci-dessus (on aurait dû prendre la peine de mieux lire...) :
Petite précision cruciale : quand tu as fait ça, le moteur a démarré et est resté en marche, ou il n'a démarré que pendant que tu appuyais dessus ?
NB : ne jamais appuyer sur le contacteur avec ses doigts !
Il ne fonctionne que quand j'appuie sur le contacteur. Dès que je lâche, il s'arrête.
NB : merci de préciser, comme c'est une pièce en plastoc, j'appuyais avec mes doigts...
Bonjour,
Si le test de la tension 26V te ramène aux bornes A1-A2 de K1.
1: Débranche le courant de la machine pour te mettre en sécurité.
2: Débranche les fils de A1 et de A2 de K1 en prenant garde de bien les repérés, pour pouvoir les remettre après le test.
3 Avec la fonction ohmmètre, mesure au bornes A1 - A2 ?
Si il y a une valeur c'est bon.
Si l'ohmmètre ne change pas de valeur ce n'est pas bon.
C'est la bobine de K1 qui est défectueuse, il faut remplacer K1.
Bon alors je vais faire une prédiction (je me lance !) : que le test d'AERLRO te donnera une valeur (faible) aux bornes de A1-A2, et donc que le contacteur est bon.
Vu que :
...ça fait beaucoup de pannes pour un seul homme. Donc l'hypothèse qui met tout le monde d'accord, le plus vraisemblable étant qu'il n'y a qu'une seule panne, c'est que quelque chose dit stop en amont de K1.
Si cette hypothèse est juste, le point Start-3 n'est pas alimenté en 24V. Le plus simple est de contrôler cela machine sous tension plutôt qu'en ohmmètre, ça t’affranchit des 10 ohm qui traînent.
Donc tester en voltmètre la tension entre le 0V du transfo et la borne 3 de Start (ou la 13 de K1). Si tu as 0V, il faut retrouver en amont l'élément qui n'est pas fermé (par la méthode d'AERLRO que tu avais commencée), s'il y a 24V, on en reparle !
Ara AERLRO
Bon verdict ...
J'ai retiré les fils et contrôlé la résistance du contacteur entre A1 et A2 : 5 ohm -> le contacteur est ok
J'ai remis les fils pour poursuivre et en testant si le start recevait 26V, j'ai appuyé sur le bouton : le moteur a démarré !
Je ne sais pas si c'était de la poussière dans un des logements du contacteur ou si il y a une autre raison mais tjrs est-il qu'elle fonctionne !
Un tout grand merci pour le temps passé ! Vraiment merci.
Bernard
Super bonne nouvelle.
Bon copeaux
Quand je touche un tableau électrique chez un client, je resserre systématiquement toutes les connexions sur tous les disjoncteurs. Et je trouve quasi systématiquement une ou deux connexions mal serrées, voire très mal serrées. Soit qu'elles étaient mal serrées au départ, soit qu'avec des cycles de chauffe / refroidissement ça a fini par prendre du jeu.
Dans ton cas ce ne sont pas les 3W de ta bobine qui font chauffer les connexions, mais les vibrations de la machine ont pu avoir un effet à long terme.
Bonne nouvelle en tout cas, et n'hésite pas à donner un petit coup de tournevis sur tous les connecteurs, tu auras peut-être d'autres surprises !
(modéré, hein, le coup de tournevis, pas bourrin !)