Bonjour à tous,
J'ai une lurem maxi 26 plus qui pose probleme au niveau de l'entraîneur. J'ai donc démonté le pignon. Il est bien usé.
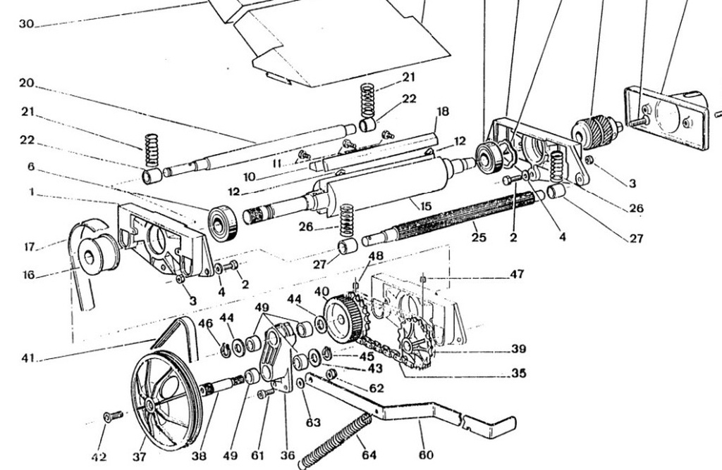
Je m'étonne car, selon la documentation je devrai trouvé 2 bagues (ref 353900400) avec le pignon or je n'en ai pas trouvées. Quelqu'un aurait-il eu l'occasion de voir si ces bagues existent vraiment sur ce type de machine ou si c'est une erreur de la doc ?
merci pour votre aide
1 réponse
si il y avait des bagues tu dois avoir un jeu important de l'ordre de 2mm minimum
Merci Caillou34 ! J'ai déjà la réponse à ma question concernant les bagues(voir les commentaires). Il faut maintenant que je trouve une nouvelle poulie et un pignon car les 2 sont bien usés. On me conseille de chercher un tourneur pour la poulie et pour le pignon j'ai demandé chez emcl mais ce n'est pas donné. Bref si tu as une autre idée, je suis preneur. En tout cas, merci d'avoir pris le temps. cordialement
pour t'aider j'aimerai savoir quel est l'usure. si c'est le moyeu de poulie qui a cette usure. Peux-tu m'envoyer une photo avec une marque ou un flèche pour désigner l'usure.C'est peut être réparable. n'ésite pas à me demander. Cordialement Caillou34
pour ma part je changerais les bagues par des bagues en métal "frité" c'est des bagues en laiton ou bronze poreux garnies de graisse, donc auto lubrifiant l'arbre pourrait être regarni au niveau des cannelures en soudure à l'arc et meulées le pignon (40) on voit pas très bien mais il me semble qu'il est à moyeux lisse donc il pourait être réparé avec une bague entrée en force. Apparement il tourne sur l'axe?
Cela peut ^tre réalisé a peu de frais. dis moi si je me trompe sur le montage. Cordialement, Caillou34
Merci pour ta réponse.
J’aurai quelques précisions à te demander
A propos de tes remarques concernant « le pignon (40) »
Je ne comprends pas trop. La référence 40 correspond à la roue dentée. Est-ce à elle à laquelle tu fais référence ? Faudrait-il la démonter ?
Je ne l’ai pas démontée pour le moment, car, j’avais surtout repéré une raison possible à mon problème.
Le problème (à savoir : la courroie (41) saute ou la poulie (37) se dévisse lorsque je mets en route l’entraîneur de la rabo), vient peut-être d’une translation du pignon(38) peut-être excessive (envrion 10-15mm). Je ne sais pas si ce mouvement est normal ou non mais cela m’a paru pouvoir justifier le problème et ce mouvement serait dû à l’usure des cannelures du pignon (38). Qu’en penses-tu ?
Les photos envoyées correspondent, en fait, à la poulie (37) le trou au centre de la poulie semble désaxé. Il n’y a pas de moyeu et les parois de ce trou destiné au serrage de la vis sont lisses. Je ne sais pas si c’est d’origine ou si c’est l’usure. Si tu parlais de la poulie, quelle genre de bague pourrait aller ? C’est du sur-mesure à demander à réaliser par un tourneur ou autre ?
Toujours pas sûr d’être clair aussi n’hésite pas à me demander des précisions ou photos.
Merci pour ton aide
cordialement
Bonjour
Ne cherchez pas plus loin ça vient principalement du pignon, ce n'est pas l'usure des cannelures mais l'usure de la réservation pour le circlip qui s'est élargie, normalement le circlip ne doit pas bouger de plus d'un mm et là il doit se balader sur le pignon ce qui n'est pas normal il n'assure plus sa fonction de blocage. Bien cordialement
change les bagus n°49 elles sont vraiment HS et tant quelles ne seront pas changées la courroie se décalera et sautera puisque les deux axes ne sont plus parrallèles. Pour l'usure de l'axe c'est effectivement la rainure du clips qui est bouffée rien de catastrofique( l'usure s'est effectuée parce que l'arbre n'était plus parrallèle et que l'arbre ,de ce fat, cherche a se décaler. rechargement de l'axe à la soudure électrique et usinage avec des outils en acier au cobalt peuvent rendre ca comme neuf.
au niveau du pignon N°40 est-ce qu'il y a du jeu ou est'il sans jeu sur l'axe et est il solidaire du pignon de chaine?tu es de quel coin de france? Cordialement Caillou34
Merci pour vos réponses à vous deux.
En ce qui concerne les bagues, j’en ai repérées sur internet aux bonnes dimensions. Faudra juste que j’arrive d’abord à sortir les bagues actuelles. L’une d’elles est super bien coincée dans le palier. Je vais y mettre un peu de dégripant.
Pour la roue dentée (40), il n’y a pas de jeu par rapport à l’axe et est solidaire du pignon de chaîne.
J’habite en Haute-Loire. Au vu de ton nom d’utilisateur, tu es dans l’Hérault ?
cordialement
Salut, pour les bagues auto-lubrifiantes en bronze fritté j'en ai acheté des plus longues n'ayant pas trouvé les bonnes dimensions pour le diamètre voulu, après ça se recoupe très bien mais il faut les enfiler d'abord sur un bois rond au diamètre intérieur pour ne pas que les bagues se déforment à la coupe.
Bien les gas. Si lepignon 40 est solidaire du pignon de chaine c'est super il y a juste le bagues du pignons entraîneur a changer.
moi je rechargerai le pignon entraineur au niveau du circlip mais je pense qu'avec un circlips neuf ca devrait déja bien fonctionner. le moyeux en photo avec l'intérieur noir qui parrait bouffé est le quel?
Bon week end. Caillou34
Cette poulie 37 bouge sur l'axe ou est n'a pas de jeu? Pour le circlips c'est pas compliiqué, tu remontes tout en place avec les rondelles et le circlips vient contre la rondelle qu'il y a contre le palieren jeu tu devrais trouver un jeu limité a 1 ou 2/10eme de mm.
si la poulie n'as pas de jjeu sur l'axe tu es bonsi ca bouge un peu tu la montes au loctit sellebloc (il est vert) et tu le maintient bien contre la vis de bout d'arbrebien d'équerre dans les deux sens. Bien nettoyer avant avec de l'acétone pour que la prise du loctite se fasse bien. Attention, avant de sceller la poulie il faut s'occuper de la gorge de circlips.En temps normal c'est la vis de bout d'arbre qui, en la serrant, retire le jeu latéral de l'arbre. Je pense que maintenant tu as tout en main pour la réparation. Cordialemnt Caillou34. si tu as des problèmes je serais ravis de t'aider encore...
ok merci pour ces précisions.
Cela suppose que je commence par remettre en place les nouvelles bagues et remonte le tout afin de prendre des repères pour la gorge du circlips (quelle profondeur à ton avis ?) avant d'aller voir mon voisin qui devrait pouvoir reprendre les cannelures du pignon et refaire cette gorge ?
Puis je colle, si besoin, la poulie et remonte le tout définitivement cette fois ?
C'est bien çà?
cordialement
Oui c'est bien ca. Une chose quand même, les bagues en métal frité, quand on les monte, risque de rétrécir et parfois on est obligé de passer un alésoir dedans pour les mêtre au bon diamètre. tu ne m'a pas dit la poulie N° 37 a du jeu su
r l'axe ou pas?
Vous n'êtes pas autorisé à indiquer votre accord ou désaccord vos propres contributions.
L'adresse e-mail associée à votre compte doit être confirmée avant de pouvoir indiquer votre accord ou désaccord.


bonjour,
vous parlez de l'entrainement de la raboteuse ?
bagues réf. N°49 14x18x14 BP25
oui, tout à fait
les bagues sont numérotées 49 et sont autour du pignon (n°38)
49 et 37 le pignon, j'ai rajouté la nomenclature , 4 bagues 14x18x14 BP25
Bonjour sur ma lurem C260e ça correspond aux bagues autolubrifiantes en bronze fritté. Vérifier si elles ne sont pas un peu noyées dans le palier car sans celle d'entrainement de la roue dentée en particulier (qui s'use le plus) l'entrainement ne peut se faire. Sinon ça se trouve et ça se recoupe bien c'est très tendre.
J'avais le même souçi je croyais que c'était la roue dentée (40) qui était trop usée mais finalement en changeant uniquement la bague autolub qui s'était ovalisée depuis c'est rentré dans l'ordre tout va bien.
C'était bien ça. Les bagues étaient autour du palier!!! C'était juste devant mon nez!!! Merci.
Dans mon cas, Impossible de lancer l'entraîneur plus de 2 minutes, la poulie(37) se dévissait tout le temps..
Je suis allé donc jeter un oeil et surtout repéré une translation rectiligne du pignon (38). Je ne sais pas si c'est normal ou non. Je l'ai démonté. Les crans du pignon sont usés au niveau du circlips côté interne (45). A votre avis, je dois changer le pignon ? Et si oui, m'en tenir à celà ?
Si cela venait des bagues, quels seraient les signes d'une usure des bagues ?
Dans mon cas, il n'y a pas, à priori, de jeu entre les bagues et le pignon.
Merci pour votre aide
S'il n'y a pas de jeu ça ne vient pas des bagues effectivement... Si ça bouge latéralement c'est que le circlip ne fait pas son office, ou le pas de vis (42) qui serait abimé ? clairement ou dirait que la pièce (38) serait à remplacer ou à réadapter ...
Et aussi vérifier l'état interne de l'axe de la poulie équipée (37) peut être que ça a forcé à un moment et que l'intérieur ne grippe plus sur le pignon.
Je vais commencer par me renseigner auprès d'emcl pour un nouveau pignon (38). Mais votre remarque à propos de la poulie est juste. Possible qu'il y ait aussi un probleme de ce côté là.
ce serait bien de joindre une photo de la denture du pignon 38 et y a t' il un jeu anormal de son axe ?
Voici une photo du pignon 38. J'en profite pour joindre une photo de la poulie 37. Je me demande si le centre de la poulie n'a pas souffert elle aussi.
Qu'en pensez-vous ?
Apparemment c'est bien usé car la poulie s'est désaxé, il va falloir tout changer, voir ce genre d'annonce de pièces detachées sur le bon coin (roue n°17) ou adapter avec des engrenages du commerce.
leboncoin.fr/a...lage/3110115555
ç'était une machine bas de gamme de Lurem, voici une autre piste:
metabricoleur....highlight=lurem
Lorsque vous dîtes que la poulie s'est désaxée, cela signifie que le trou permettant le vissage n'est plus au centre de la poulie ? Si c'est ça, après mesures, je confirme.
Tout changer signifie : pignon + poulie, rien d'autre ?
Pourquoi cité la roue n°17, serait-elle aussi à changer ?
Pourriez-vous me préciser la solution en adaptant avec des engrenages ?
Merci pour votre aide
Bonjour thierry 43; une autre solution serait de confier ta poulie à un tourneur, même amateur, pour baguer ta poulie avec un bague aluminium, puis de re-sertir l'axe à la presse. Pour le pignon, l'usure n'est à mon avis pas dramatique, à condition bien sûr qu'il soit remonté parfaitement à sa place, c'est à dire que les cannelures travaillent sur toute leur longueur; il faudra parfaitement les nettoyer et supprimer les bavures qu'il me semble voir sur la photo à l'aide d'une lime triangle demi-douce.
Est-il encore possible de retrouver ces pièces en neuf??? Pour ma part, j'ai déjà cherché mais sans succès...
Merci beaucoup pour cette réponse.
Je vais reformuler pour voir si j'ai bien compris ce qu'il me faudrait demander à un tourneur :
Il faudrait qu'un tourneur reprenne le centre de la poulie : A savoir qu'il façonne une pièce en alu d'un diamètre correspondant au centre de la poulie préalablement évidé. Cette pièce en alu serait percée au diamètre de la vis qui maintient la poulie au pignon. Pour le sertissage pour maintenir la pièce alu à la poulie, je vois moins concrètement mais un tourneur saura sûrement.
Pour l’usure des cannelures, j’ai des doutes. Avant le démontage, il y avait une translation rectiligne du pignon assez importante (au moins 1cm). Etait ce normal ou est-ce dû à l’usure du pignon ? A votre avis, est-ce ce jeu qui, par conséquence, a provoqué l'usure de la poulie ?
Merci pour votre aide.