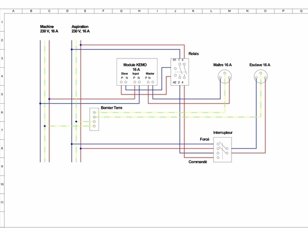
Mise en oeuvre d'une prise commandée basée sur un module Kemo, on trouve facilement pas mal de tuto sur le web pour ce type de montage. Particularités ici : 2 circuits séparés, ajout d'un relais et montage sur rail french cleat.
J'ai prévu 2 circuits car la somme des puissances machines+aspiration atteint la capacité du module et il n'est pas réparable si il fait fusible... :-(

Discussions
Impec ! Merci pour le retour d'expérience.
J'ai fait un montage avec le même module directement dans mon cyclone avec un interrupteur double fonction permettant de basculer en aspiration directe pour faire un peu de ménage dans l'atelier. Aucun soucis depuis.
Salut, tu as utilisé un relais aussi pour forcer la marche de l'aspirateur ? Je cherche un moyen simple de faire ça car pour le moment je débranche et rebranche.... Merci
Idem, j'ai utilisé ce module, plus un module temporisation qui laisse l'aspiration 10s après avoir éteint la machine, plus un interrupteur normal sur l'aspirateur mais celui-ci étant à l'extérieur, j'ai rajouté un module avec télécommande. La télécommande est fixée sur mon bras d'aspirateur. Je recherche le plan électrique et le mettrai ici...
Vianney - VICA Ha oui je veux bien merci et je suis curieux de savoir ce que tu as mis comme module de temporisation car je me disais justement qu'il serait bien de l'avoir aussi.
Vianney - VICA? Je suis aussi preneur de tes plans ainsi que le module de tempo que tu as utilisé
Pour le schémas c'est pas gagné! pour les produits :
Pour le schéma, sous la main j'ai ça…
-A1, A2, 15, S, 18 sont les bornes du relai temporisé
La particularité de mon installation, est que j'ai deux réseaux de prises de courant pouvant déclencher l'aspirateur, mais les deux réseaux fonctionnent avec deux phases (et neutre) différentes
A l'occasion il faudrait que je mette ça au clair!
J'ai fait exactement la même chose avec un relais temporisé pour ne pas lancer l'aspi en même temps que la machine et pour l'éteindre un peu après (3secondes). Idem Olivier Vernhettes pour l'inter en mode manuel (avant de le mettre j'utilisai une lampe pour déclencher le système)
Aurais-tu des références de relais temporisé ainsi qu'un lien vers un tuto ou à minima un schéma de câblage ?
J'ai aussi fait un système similaire à l'aide d'un kemo (mais avec maître et esclave sur le même circuit), prévu pour démarrer mon vieux petit karcher dépourvu de prise asservie et mis à demeure sous ma radiale dans son kart dédié.
Le problème c'est que la radiale a une carte électronique qui tire du courant en permanence. Du coup des que je mets le circuit du Kemo sur ON, l'aspirateur se déclenche alors que la radiale n'est pas en route (même si le laser est éteint). J'ai testé avec plusieurs autres machines electroportatives et là, tout fonctionne correctement.
Si quelqu'un a une idée pour régler un seuil de charge pour le déclenchement à l'instar de ce que font certaines prises éco orientées multimédia, je suis preneur.
On a un bel article de notre ami breton Thierry ici:
Merci pour le lien. Même s'il ne résout pas le problème avec le kemo, il permet de me tourner vers une alternative qui respecte l'effet final recherché
Avec plaisir
merci pour ce partage
je pense que cela correspond a ce à quoi je réfléchissais actuellement comme schéma pour mon déclenchement d'aspiration
comme je ne suis pas un pro j'ai du mal à associer ma compréhension des branchements entre tes photos et le schéma fourni
sauf si ça te saoule peux tu rajouter une petite explication littérale ou un tuto video rapide ?
merci par avance
David
Désolé je n'ai pas fait d'autres photos pendant le montage, voici quelques infos complémentaires, les références des prises, boitier et relais :
LEGRAND Prise modulaire 2P+T 16A 2,5 modules - 004280
LEGRAND CX3 Contacteur de puissance 25A 2F/NO monophasé - 412523
LEGRAND Tableautin électrique 6 modules 128x160x74mm - 001306
Il faut du fil de section suffisante : 2.5 mm2, bleu pour le neutre, vert/jaune pour la terre. J'ai utilisé des borniers wago pour les connexions mais on peut aussi souder et protéger avec de la gaine thermo...
Redonner un coup de tournevis sur les connexions 1 mois après, pour éviter tout risque de surchauffe si déserrage...
Bon bricolage
BenTournefeuille
ok merci
pour faire le lien avec ton schéma dis moi si j'ai bien compris (je fais abstraction des terres il n'y a pas de soucis là dessus) :
dans tes photos que fait ton câble noir branché sur une prise et que fait ton câble blanc branché également sur une prise
pardonne moi pour toutes ces questions, pourtant on ne dirait pas mais j'ai refait toute l'électricité de ma maison avec même des vas et vient en bipolaires car plus de deux points de commandes (car pas possible de passer en telerupteur...) et créations de tableaux secondaires à plusieurs niveaux...
merci pour ta patience ;)
Il y a 2 arrivées du jus pour avoir 2 fois 16A disponibles.
Machine c'est l'arrivé du jus par le cable noir en spirale sur une prise, ça alimente l'input du kemo.
Aspiration c'est l'arrivée du jus par le cable blanc sur une prise, ça alimente directement l'aspiration quand l'interrupteur est en mode forcé (ou mode manuel) ou ça l'alimente via le kemo quand l'inter est en mode commandé (ou mode auto).
Le master est relié à la prise d'alimentation de la machine marquée Maitre 16A, le slave est relié à la bobine du relais ou contacteur de puissance 25A qui va piloter l'aspiration sur la prise marquée esclave 16A. La bobine du relais consomme très peu par rapport à l'aspiration et permet de garder presque tous les 16A uniquement pour la machine sans risquer de flinguer le kemo... Le courant de l'aspiration provient du coup de la 2ième arrivée sans se rajouter à la première.
J'espère que c'est plus clair ;-)
BenTournefeuille top !! c'est clair maintenant ;) merci infiniment !!