Plusieurs boiseux ont eu l'idée de faire une commande déportée pour le moteur de leur système d'aspiration. Pour ceux qui ne sont pas très à l'aise avec les montages électriques, voici les principes de base et la manière de déporter les commandes.
Liste des articles
- Pour un aspirateur à interrupteur simple
- Les commandes à bouton poussoir, comment ça marche ?
- Application pratique : mon aspirateur à copeaux
- Méthode n°1 : déporter le boitier existant
- Méthode n°2 : Créer un système de démarrage autonome
- Méthode n°3 : se connecter en direct sur les boutons poussoirs
- Conclusion temporaire
- Méthode n°4 : pirater le boitier existant
- Conclusion générale
Pour un aspirateur à interrupteur simple
Bien que cela ne semble pas très répandu, commençons par le plus facile : déporter la commande d'un interrupteur simple. Voici le schéma d'une telle installation.
Et pour déporter l'interrupteur il faut se faire une rallonge (ou une installation fixe) avec un interrupteur qui vient couper 1 fil. L'interrupteur d'origine sera mis en permanence sur "marche" et le moteur sera piloté du boitier déporté.
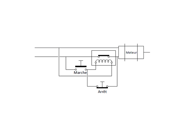
Les commandes à bouton poussoir, comment ça marche ?
Mais la plupart des aspirateurs ont deux boutons poussoirs, un pour la marche, un pour l'arrêt.
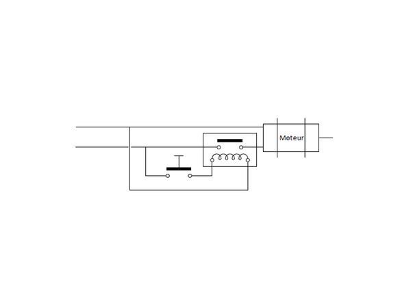
Or, si l'on remplace l'interrupteur "marche / arrêt" par un bouton poussoir, comme ceci :
Alors le moteur ne tournera que quand on appuie sur le bouton, et s'arrêtera quand on le relâche. Pour que notre installation fonctionne, il faut un relais.
Pour mémoire, un relais ou "contacteur" (c'est pareil) a une bobine qui sert d'électroaimant, qui vient attirer ou non un contact. Ici, nous mettons le relais en place, avec son contact qui va alimenter ou non le moteur.
Pour exciter la bobine, il faut l'alimenter en 230V et ce qui tombe bien c'est que nous avons du courant à disposition. Nous mettons donc un bouton poussoir pour alimenter la bobine.
Petite précision, il existe deux types de relais :
Le relais monostable, qui n'a qu'un état stable (à l'arrêt). On excite la bobine => il bascule (en marche), on arrête d'exciter la bobine => il revient dans sa position initiale (arrêt) grâce à un ressort de rappel.
Le relais bistable, qui a deux états stables (marche et arrêt), et deux bobines. On excite la bobine de marche => il bascule en marche ; on excite la bobine d'arrêt => il bascule à l'arrêt. L'avantage, c'est que même quand on relâche le bouton de marche, le moteur continue d'être alimenté.
Mais dans notre cas, il s'agit d'un relais monostable (les bistables sont bien plus chers, et on ne les trouve que dans l'industrie). Donc sur le schéma ci-dessus, pas de chance : quand on appuie sur le bouton, le moteur tourne, et dès qu'on relâche, le moteur s'arrête.
C'est pourquoi des électriciens géniaux ont inventé le principe de...
...l'automaintien ! (oui, le petit fil rouge, là)
NB : automaintien finit par n parce que c'est le verbe maintenir (et pas par t car ce n'est pas le verbe maintientre !)
Ce petit fil rouge, donc, est sous tension dès que le contact est fermé, et vient maintenir l'alimentation de la bobine, même si l'on relâche le bouton.
Au passage, nous pouvons constater que la durée d'appui sur le bouton n'a aucune importance : que l'appui soit bref ou qu'on s'endorme sur le bouton, le résultat est le même puisque la bobine est alimentée à la fois par le bouton et l'automaintien. Il n'y a pas d'usure supplémentaire ou de risque quelconque. De même, appuyer 10 fois sur le bouton n'a aucun effet particulier.
Notre moteur est maintenant en marche, et vous allez me dire : "ben t'es malin, toi, mais maintenant comment je fais pour arrêter mon moteur ?". Il y a deux manières :
Débrancher la prise, ce qui 1) arrête le moteur, et 2) désexcite la bobine puisqu'il n'y a plus de courant pour l'alimenter. Le contact se rouvre et même si l'on rebranche la prise, le moteur ne redémarrera pas puisque l'automaintien est derrière le contact ouvert, donc hors tension.
Mettre un bouton poussoir qui vient couper l'automaintien, justement. Et voici le schéma final.
Notons que le bouton d'arrêt est dit "normalement fermé" et s'ouvre quand on appuie dessus.
À ce propos, vous trouverez couramment les symboles "NO" / "NF" pour "Normalement Ouvert" / "Normalement Fermé" (en français), ou "NO" / "NC" pour "Normally Open" / "Normally Closed".
Tel est donc le principe de fonctionnement d'un boitier d'alimentation à boutons poussoirs. Maintenant, voyons comment se présente un vrai boitier d'alimentation, celui de mon aspirateur à copeaux.
Application pratique : mon aspirateur à copeaux
Alors après avoir fait mes jolis schémas, je me suis dit "allons prendre quelques photos pour montrer à quoi cela ressemble, un relais" et là... coup de Trafalgar !
Le boitier est vide, pas de relais !
Par contre, un plat de spaghettis pour juste deux boutons poussoirs...
J'aurais dû m'en douter, tout est intégré dans le boitier des boutons et ce n'est pas forcément démontable.
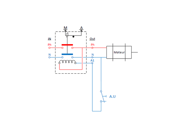
Heureusement il y a un schéma de principe :
Le schéma est explicite sur les entrées et les sorties, mais il y a une broche supplémentaire "A1" qui mérite quelques investigations.
En effet, généralement sur les contacteurs les bornes A1 et A2 correspondent à l'alimentation de la bobine. A1 pourrait donc être dédiée à l'automaintien, ce qui est cohérent avec le schéma, mais je n'y crois pas trop car il pourrait être avantageusement câblé en interne.
Par contre, ce moteur est équipé d'un condensateur de démarrage (qui n'est alimenté que pendant quelques secondes). Il se pourrait donc que cette broche A1 alimente le condo. Et qu'en toute logique, le petit boitier contienne donc les deux boutons poussoirs, la bobine du relais, et un relais temporisé pour le condo.
Suite des investigations quand j'aurai promené mon multimètre dans ce boitier, dès que les températures seront repassées positives !
En attendant, voyons les différentes méthodes pour installer un coffret déporté.
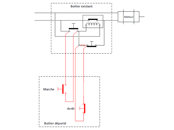
Méthode n°1 : déporter le boitier existant
Oui, c'est bourrin mais pourquoi pas ?
Démonter le boitier existant et l'installer dans le nouveau coffret. Côté branchements :
- La phase et le neutre du câble d'alimentation restent branchés sur les entrées du boitier,
- Le fil de terre du câble d'alimentation part vers le moteur,
- Les 4 fils de sortie du boitier (chez moi, le rouge, un bleu et deux blancs) sont prolongés jusqu'au moteur.
Pour ce faire, il faut donc un câble 5G1,5 (5 fils dont 1 terre de section 1,5²). Ou passer 5 fils dans une gaine ICTA / IRO si l'installation d'aspiration est fixe.
L'avantage de cette méthode est qu'elle ne requiert aucune réflexion : on rebranche les fils tels qu'ils sont branchés au départ, ils sont juste plus longs.
L'inconvénient est qu'il faut gérer le boitier sur le moteur (refaire un couvercle avec une sortie propre pour le câble).
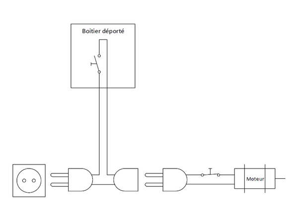
Méthode n°2 : Créer un système de démarrage autonome
L'idée est de créer un système de toutes pièces, tel que décrit sur le schéma "final" ci-dessus, et de le brancher en parallèle sur l'alimentation du moteur.
Il faut donc un câble 4x1,5² (deux fils pour alimenter le coffret déporté et deux qui reviennent). Il y a moyen de simplifier mais je ne donne là que le principe. On peut également utiliser deux câbles 2x1,5² et les scotcher ensemble.
Attention ! Cette méthode ne gère pas le condensateur de démarrage. Elle n'est donc valable que pour les moteurs à condensateur permanent. Dans le doute, s'abstenir !
Cette méthode, si elle est possible (pas de condo de démarrage), a l'avantage d'éviter de démonter le boitier existant : on se branche en amont et en aval. À noter que le boitier existant reste fonctionnel.
Les inconvénients sont nombreux :
- Il faut acheter du matériel supplémentaire (le relais),
- Faire attention à ne pas inverser phase et neutre entre l'entrée et la sortie (sinon court-circuit),
- Et donc, savoir si le moteur est à condensateur de démarrage ou permanent.
[Edit] Et puis, et puis... il faudra arrêter le moteur sur le boitier qu'on a utilisé pour le démarrer. Cette méthode n'est donc pas très sécurisante.
Méthode n°3 : se connecter en direct sur les boutons poussoirs
Là, l'idée est de démonter le boitier existant et de brancher nos boutons poussoirs "sur" les boutons existants :
- Le bouton de marche en parallèle du bouton de marche,
- Le bouton d'arrêt en série sur le bouton d'arrêt.
Cela nécessite un câble 4x1,5² (il y a moyen de simplifier à 3x1,5² mais je ne donne là que le principe). Il faut être capable d'ouvrir et de recâbler le boitier existant, et de couper le fil d'automaintien pour y insérer notre bouton d'arrêt (au niveau des croix rouges sur le schéma).
Les avantages sont nombreux :
- Pas besoin d'acheter de relais,
- Le condensateur reste géré par le boitier existant (donc cette méthode est valable pour tout type de moteur),
- Le boitier existant reste fonctionnel.
Inconvénients :
- Il faut être bricoleur,
- Il faut être minutieux...
- Il faut que le boitier existant y mette un peu de bonne volonté, car il va falloir l'ouvrir et patouiller dedans !
Conclusion temporaire
Si c'était moi, je tenterais la méthode n°3 en premier. Elle n'a presque que des avantages, elle est sûre, et au passage, elle permet de piloter l'aspiration avec plusieurs signaux (boutons poussoirs déportés, mais aussi une tempo sur le démarrage d'une machine par exemple, comme a fait Mig ici).
Je n'essaierais pas la méthode n°2 car je suis presque sûr d'avoir un condo de démarrage, et c'est probablement le cas de tous les aspirateurs un peu puissants.
Quant à la méthode n°1, heu... perso elle ne me plaît pas mais elle est assez simple et efficace.
Enfin une méthode n°4 verra peut-être le jour quand j'aurai investigué plus profondément mon boîtier.
Méthode n°4 : pirater le boitier existant
Hélas, cette méthode ne fonctionne pas ! Je vais tout de même montrer pourquoi, ce qui permettra d'en déduire quelle est finalement la bonne méthode.
Voici donc la suite de mes investigations sur le boitier existant. Tout d'abord, voyons l'intérieur de la bête... enfin ce que l'on peut en voir, une fois démonté.
La partie basse peut se déclipser, et deux ressorts risquent de sauter.
On voit une plaquette métallique, qui peut basculer dans un sens ou dans l'autre grâce à un pivot. C'est la raison pour laquelle sur ce modèle, il est impossible d'appuyer simultanément sur marche et arrêt.
Plaquette démontée, on voit apparaître l'électroaimant (à gauche) et les contacts à droite.
Le fonctionnement est donc assez simple :
- Lorsqu'on appuie sur le bouton marche (côté gauche), la plaquette bascule et vient faire remonter les contacts qui se ferment. Le moteur démarre.
- La bobine, lorsqu'elle est alimentée, maintient la plaquette en position.
- Lorsqu'on appuie sur le bouton arrêt (côté droit), on enfonce les contacts qui s'ouvrent, et cela éloigne la plaquette de la bobine.
Reste à savoir comment est câblé l'automaintien, et malheureusement il est hasardeux de continuer le démontage, car je ne suis pas sûr d'y arriver sans rien abîmer. La suite des investigations se fera donc sous tension (boitier remonté).
Mais au passage, nous avons constaté l'absence de relais temporisé, ce qui exclut l'idée d'un condensateur de démarrage. Il s'agit donc d'un condensateur permanent, ce qui est une bonne nouvelle.
Et donc, après diverses expérimentations dont je garde le secret (les enfants, ne faites pas cela chez vous !), il s'avère que la patte A1 n'est autre que l'une des extrémités de la bobine. Voici le schéma de la chose.
Donc contrairement au schéma "final" exposé dans la section "Comment ça marche", où toutes les actions se faisaient par contact / coupure d'alimentation de la bobine (avec des boutons poussoirs électriques), ici les actions se font "bourrinement" par appui / retrait mécanique sur les contacts. La seule action électrique qui reste, c'est l'automaintien.
Lorsqu'on appuie sur "M", on vient appuyer sur les contacts, le courant passe sur le fil rouge et le fil bleu. Si la borne A1 n'est pas connectée, la bobine n'est pas alimentée.
Lorsqu'on relâche le bouton "M", son ressort de rappel le remonte, mais laisse les contacts libres de leurs mouvements. C'est la petite tringlerie que j'ai dessiné en haut.
Comme la bobine n'est pas alimentée, les deux ressorts de rappel des contacts (ceux qui ont failli sauter au démontage) les remettent en position initiale, le moteur s'arrête.
C'est pourquoi dans le coffret de l'aspirateur, la borne A1 est connectée au neutre.
De cette manière, lorsque l'on appuie sur le bouton M, la bobine s'alimente. On relâche le bouton mais les contacts étant libres de leurs mouvements, ils restent fermés grâce à l'électroaimant.
Pour arrêter le moteur, il faut appuyer sur "A", ce qui vient "bourrinement" ouvrir les contacts. La bobine n'est plus alimentée, le moteur s'arrête.
En cas de coupure de courant, c'est les ressorts de rappel des contacts qui vont les rouvrir. De fait, à la remise sous tension le moteur reste éteint.
Alors pourquoi avoir laissé cette patte A1 à l'air libre, au lieu de faire un câblage interne ? C'est un modèle de boitier qui peut servir à implémenter un arrêt d'urgence.
Et un arrêt d'urgence n'étant rien d'autre qu'une commande d'arrêt déportée, nous avons donc déjà la moitié de notre coffret ! Reste à trouver le moyen de faire la mise en service à distance.
Là, confiant et intrépide, je fis l'essai suivant :
Me disant que si l'on pontait les deux contacts, cela permettrait de mettre "artificiellement" la bobine sous tension, et de provoquer l'automaintien.
Hélas, pas de "clic" lors de l'appui sur "Marche".
Hypothèses :
- Il y a un truc qui m'échappe,
- La bobine est juste assez puissante pour retenir la plaquette, mais pas assez pour l'attirer lorsqu'elle est éloignée.
En tout cas cela exclut toute possibilité de commande déportée telle que décrite dans la méthode n°3.
Conclusion générale
Finalement qu'est-ce qui fonctionne ?
Méthode n°0 (pour les interrupteurs simples) : ça marche, c'est facile.
Méthode n°1 (déplacer le boitier existant) : ça marche, c'est assez facile, mais cela ne permet d'avoir qu'un seul boitier.
Méthode n°2 (ma chouchoute !) : ça marche, cela nécessite d'acheter un relais, cela permet de laisser le boitier existant en place (et fonctionnel), cela permet d'avoir plusieurs commandes à distance.
Méthode n°3 : marche pas car le boitier n'est pas assez démontable.
Méthode n°4 : marche pas pour raison non déterminée.
Méthode cocoM et PLab (cf. discussions ci-dessous) : ça marche, en fait ça consiste à transformer le boitier existant en [rien du tout] pour utiliser la méthode n°0. C'est bourrin mais ça marche !
Méthode Mathchal (cf. discussions ci-dessous) : ça marche, mais... soyons honnêtes : tu t'es fait plaisir à faire un truc de geek ! Sérieusement, les installations "arduino" restent pour moi du domaine de la domotique, porte de garage, éclairage tamisé, télévision... mais pour un atelier je vise des technologies industrielles. Piloter un aspirateur de 1500W avec un arduino, je n'ai pas assez confiance. Et implémenter un système complexe (genre asservissement, arrêt d'urgence) sur une machine qui coupe, là je ne le ferais pas du tout (l'aspirateur au moins, n'est pas très dangereux !).
Voilà. J'espère vous avoir plus éclairés qu'embrouillés sur le sujet, et n'hésitez pas à me solliciter dans les commentaires.

Discussions
Salut,
Pour ma part, j'ai juste déporté le boîtier et ça marche bien sans demander de compétences particulières :)
Le truc dommage, c'est qu'il y a toujours qu'un seul point d'allumage.
Ah ben voilà, méthode n°1 : CHECK !
Bonne idée, d'ailleurs, de faire un coffret aimanté, et bonne idée de mettre deux câbles au lieu d'un (je vais l'insérer dans mon texte).
De mon côté j'ai fais la même chose, fils rallongés, interrupteur déporté.
, mais je m'en rend vite compte 

Vu la taille de l'atelier, le tuyau PVC de l'aspirateur arrive en l'air et au milieu de la zone de travail, l'interrupteur est juste à côté, je n'ai donc qu'à lever le bras pour l'allumer avant de lancer une machine (toutes sur roulettes et rangées sur les côtés).
Bon, c'est vrai que des fois j'oublie de le faire
Bonne Description. Les deux Solutions sont très pratiques avec les bons Câbles. Taille De Veine ( Ømm2 )
Cool, ça va alimenter ma réflexion sur l'évolution de mon système d'aspiration.
Et pour contrôler l'aspirateur par une télécommande ? Avec ce genre de prises si j'ai tout bien compris, ça marchera pour éteindre l'aspirateur, mais pas pour l'allumer. Est-ce qu'il y aurait un moyen autre qu'un collier de serrage qui maintient le bouton de démarrage enfoncé pour intégrer une télécommande (de ce type ou ...) dans le circuit ?
Exactement. Quant à l'idée du collier pour maintenir le bouton de marche appuyé, tu peux déjà faire l'essai : tu débranches l'aspi, tu appuie sur le bouton (tu laisses ton doigt appuyé) et tu rebranches. S'il démarre normalement, c'est bon.
Il faut aussi écouter le condo de démarrage : quand il y en a un, quelques secondes après la mise sous tension on entend "clic". C'est le relais temporisé qui déconnecte le condensateur.
Salut super ton pas a Pas
Ou une quatrieme méthode. Un montage avec un arduino pilotant le relais de laspi qui grâce à des capteurs de courant monter sur les lignes des machines va démarrer laspi quand on démarre les machines.
Avantages:
Demarage auto de laspi
Possibilité de rajouter plein de fonction des boutons en plus (j'en ai un au niveau d'un raccord de tuyau qui me permet de lancer laspi pour aspirer ce que j'ai balayé.
Piloter des clapets pour que l'aspiration soit que sur la machine démarrer.
Plus facile pour une installation en tri(beaucoup de fil à rallonger si on déporté juste l'interrupteur de laspi)
Inconvénients:
Plus complexe à mettre en place
Demande des connaissance en électronique, programmation
Coup plus élever par rapport à juste déporter l'inter
Mon montage actuel provisoire
)
L'arduino avec des Led qui vont bien pour voir ce qui marche, un des capteur de courant en bleue qui ce clipse autour d'un fil de phase qui va à la machine et mon relis sur laspi avec un bouton auto et manu dessus (le bouton d'origine a pas aimé la modification
Salut
Exact, dès qu'on a compris qu'on pouvait remplacer les boutons poussoirs par des relais quelconques (arduino, tempo sur le démarrage d'une autre machine, télécommande...), ça ouvre à tous les possibles.
J'ai fait le pas à pas pour dégrossir le sujet, et surtout éviter les confusions et les bricolages qui n'ont aucune chance de fonctionner (tout le monde ne connait pas le principe de l'automaintien).
Perso j'ai pris un bon vieux kit de prise connecter et j'ai shunter le bouton et mis la prise dessus. petite télécommande et hop problème régler.
pourquoi faire plus compliquer ...
Merci infiniment pour ce pas a pas super clair !
.



Moi qui suit néophyte, ca me permet de confirmer ce que j'avais compris lorsque j'ai connecté mon interrupteur au moteur de ma Kity 635
C'est bon ça, de l'électrotechnique !
Merci pour le partages, en plus de s'éviter qq pas dans l'atelier tu présentes les bases pour remettre en service de vieilles machines dont les commutateurs contacteur capteurs sont fatigués.
Sur l'aspiration il n'y a pas vraiment de risque en cas de modification de la partie commande à l'usage hors mis les dangers électrique lors du bricolage, sur les machines outils les modifications peuvent être dangereuse.
Salut à tous
il existe une autre solution l’interrupteur maitre esclave:
amazon.fr/gp/p...=UTF8&psc=1
la mise en route d'une machine entraine la mise en route de l'aspiration centrale, vue sur un autre forum: forum.copainde...pic.php?t=13029
Oui c'est pas mal, il faut juste faire attention à la puissance max admissible sur le boitier, en fonction des machines qu'on met dessus.
C'est la même chose pour mettre un fil entre deux boutons, c'est de l'électricité avec ses lois U=RI et P=UI.
Personnellement j'ai fait comme PLab,
J'ai schuntfé le bouton poussoir et branché l'aspirateur sur une prise commandée.
Avec ma télécommande je "pilote" 2 aspirateurs le seçond etant fixé au mur et réservé à la poussière et petits copeaux.
L'investissement est négligeable.
Seul souci ranger toujours la télécommande au même endroit!
Jean-Paul
Un investissement ne peut se compter uniquement en euro.
il doit aussi se compter en temps, sécurité de fonctionnement, apprentissage de la technique pour sa mise en œuvre, et donc au moins s'équilibrer avec l'économie envisageable pour les mêmes critères.
On achète pas un aspirateur uniquement pour éviter de ramasser les copeaux mais aussi pour éviter de respirer de la poussière qui attaque sa santé! du coup il en faut deux et pas les mêmes tout en étant plus chers et plus compliqués.
La santé et ma sécurité d'abord, mon temps qu'il me reste avant de mourir ensuite, le pognon que personne n'emporte au paradis en dernier...
On commence par vouloir changer une prise et on refait tout le tableau électrique!
On commence par vouloir couper un bout de bois et on fait de la philosophie!
Chez moi le rangement est "volcanique" ce dont je me suis servi en dernier est sur le dessus du tas...Quand le tas est trop gros je le range.
C'est une question de priorités:
youtube.com/wa...h?v=KmIMB4U739s
PhilippeCichon
Mouif, bon... ce n'est pas tout à fait de la philosophie, hein ! Si le gars est prof de philo, moi je dois être moine !!
Merci pour cet exposé on ne peut plus clair ;)
J'ai exactement le même boitier.
Je vais sans doute mettre en place la solution 1.
Avec, comme Boris Beaulant
une plaque pour fermer le boitier sur le moteur pour garder l'étanchéité des câblages.
J'avais envisagée cette solution au départ, mais ne comprenais pas ce fil blanc.
Il va vers le moteur et revient au A1. Y aurait il une sécurité à l'intérieur servant d'arrêt d'urgence ?
Etant donnée la petite taille de mon atelier, je pourrai positionner l'interrupteur déporté pour qu'il soit facilement accessible.
Non, A1 n'est pas une sécurité interne, c'est juste une broche qui te permet de câbler un arrêt d'urgence. Par défaut c'est connecté au neutre (broche n°4 je pense), mais si tu veux installer un A.U tu le mets entre A1 et 4.
Sur le mien un fil blanc semble effectivement relier le 4 et le A1, mais en faisant un aller retour dans le moteur. Je n'ai pas démonté pour voir ce qui s'y passe, m'interroge juste...
yvesdici tu as raison, d'ailleurs on voit sur ma photo ci-dessus deux fils blancs, c'est donc pareil, et je n'avais pas repéré ce petit détail. Pourtant j'ai testé l'A.U à blanc (boîtier démonté) et ça marche, donc mon explication est bonne mais pas complète.
Il se pourrait que le fil blanc vienne de l'enroulement secondaire. Je ne suis pas très calé en moteurs asynchrones, mais sur le principe des enroulements primaire et secondaire, voici un site qui en parle.
Sur son petit schéma en haut à droite, notre broche A1 ramènerait ses broches U2 et Z2.
A priori vu la doc technique de l'interrupteur la broche A1 sert uniquement à la coupure d'arrêt d'urgence : DKLD dz-6-2.
Cependant comme dit ici je ne comprend pas pourquoi il y a un aller-retour vers le moteur.
Je pense que je vais shunter l'interrupteur car j'ai déjà un système de prise asservie.
Merci Onada pour le lien, et en effet le mystère de l'aller-retour restera entier tant que quelqu'un ne démontera pas son moteur !
Merci pour cet exposé détaillé !
J'ai regardé plusieurs vidéos qui en parlent et pas mal de personnes ont shunté les câbles puis branchés sur une prise télécommandée afin de le piloter à distance.
Mais plusieurs commentaires vont à l'encontre de cette solution car les fils blancs du coup ne sont pas connectés.
Plusieurs intervenants ont prétendu que c'était un arrêt d'urgence qui permet de couper le moteur en cas d'anomalie de celui-ci, ce qui l'empêcherait de prendre feu si le ventilateur venait à être bloqué par exemple.
Pour ma part préférant la sécurité, je vais déporter l'interrupteur en prolongeant l'ensemble des câbles pour le fixer au mur d'une manière fixe. Pour mon atelier c'est une solution cohérente.
SAUF.... si tu fais un nouveau schéma qui intègre le raccord des fils blancs et l'arrêt d'urgence sans que ce ne soit trop complexe et onéreux à réaliser :D
EDIT : j'ai une LEMAN ASP152 et l'interrupteur est le KJD 17B
J'ai trouvé les infos cf. la photo.
Donc l'entrée A1 est bien pour un arrêt urgence.
Je ferai mieux quand je serai en retraite ! Mais si tu prolonges simplement chaque fil, je pense que ça marchera...
Salut,
Alors, je vais peut-être dire une énorme con..rie, vu que je suis une burne sans fond en électricité mais, ne serait-il pas possible d’intercaler un boîtier de télécommande (du style de celui montré par Cray dans sa vidéo youtube.com/wa...h?v=q0YIGA7hxHQ) entre le bouton et le moteur en cas de bouton avec auto-maintien (ligne rouge sur le schéma) ?
On se retrouverait alors dans la situation ou on appuie sur le bouton de mise en marche en arrivant à l’atelier et on appuie sur le bouton d'arrêt en fin de séance. Le fait d'appuyer sur le bouton marche déclenche l'auto-maintien mais il ne se passe rien puisque le boîtier de télécommande est intercalé... Par contre, pas de moyen de déclencher l'aspi en cas de panne du boîtier ou de manque de pile !!!
Correct ?