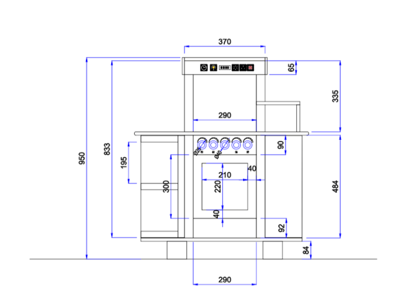
Ces vues cotées m'ont permises de réaliser cette cuisinette.
ossature en MDF 15 et sapin. fonds en fibres dures 3.2mm laqué blanc. étagères et grille de four en CP 10mm.
boutons de four et de robinetterie provenant d'une commode.
Autres plans de
ggdu124

Discussions