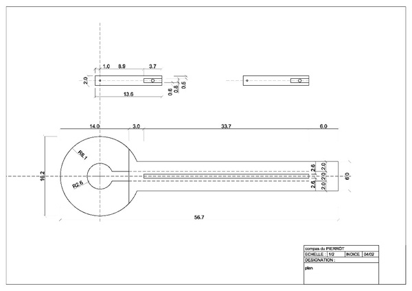
dans la série des outils d'atelier je vous présente un compas pour défonceuse qui permet de faire des cercles de 0 à 40 cm de rayon.
il a été conçu pour ma défonceuse. pour de pas perdre en profondeur de travail je remplace la semelle de la défonceuse pour une semelle en mdf (quasi la même épaisseur)
ce systeme doit pouvoir s'adapter sur n'importe quel type de défonceuse

Discussions