L'Air du Bois est une plateforme Open Source de partage collaboratif ouverte à tous les amoureux du travail du bois. (En savoir plus)

Rejoindre l'Air du Bois Se connecter

Mammouth

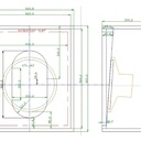
Cab 1x12 type Bogner cube


plan réalisé sur Autocad


Discussions

Mammouth  a publié le plan "Cab 1x12 type Bogner cube".
il y a 10 mois
Connectez-vous pour ajouter un commentaire.
0 coup de coeur
221 vues
0 commentaire
26 téléchargements

Caractéristiques

PDF  Format
2 Mo  Taille
 2 fichiers

Publications associées

Autres plans de Mammouth 
Voir aussi