L'Air du Bois est une plateforme Open Source de partage collaboratif ouverte à tous les amoureux du travail du bois. (En savoir plus)

Rejoindre l'Air du Bois Se connecter

Mammouth

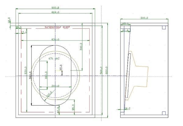
Cab 1x12 OS vertical (corriger profondeur à 350)


Plan du cab figurant en création.
!! Il faut corriger la profondeur à 350 mm pour aboutir à 105 litres hors tout !!


Discussions

Mammouth  a publié le plan "Cab 1x12 OS vertical (corriger profondeur à 350)".
il y a 10 mois
Connectez-vous pour ajouter un commentaire.
0 coup de coeur
242 vues
0 commentaire
23 téléchargements

Caractéristiques

PDF  Format
386 Ko  Taille
 1 fichier

Publications associées

Tags

    Aucun
Autres plans de Mammouth