L'Air du Bois est une plateforme Open Source de partage collaboratif ouverte à tous les amoureux du travail du bois. (En savoir plus)

Rejoindre l'Air du Bois Se connecter

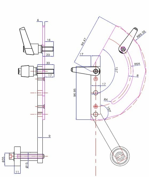
AIRPOPCIE

Butée à galet


voir la création.

Mis à jour

Discussions

Connectez-vous pour ajouter un commentaire.
2 323 vues
0 commentaire
504 téléchargements

Caractéristiques

PDF  Format
27 Ko  Taille
 1 fichier

Publications associées

Licence

Licence Creative Commons
Voir aussi