Bonjour à tous,
Je suis en reflexion pour un etabli / table MFT / defonceuse sous table.
J'ai prévu un rail en face avant juste sous le plateau:
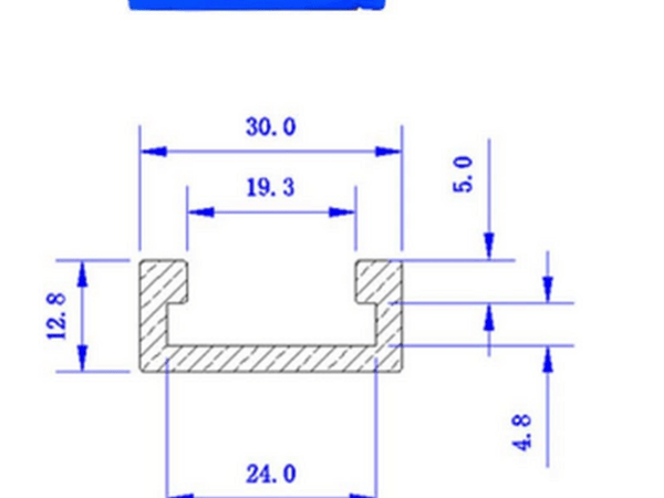
La traverse dans laquelle j'avais prévu d'inserer le rail fera 60x60mm en hêtre massif. Vu le prix des rails (il m'en faut 2 mètres pour la face avant et aussi pour le plateau coté défonceuse), pensez vous que ca tiendrait le coup d'usiner une rainure en T avec une fraise qui va bien dans du hêtre? si oui a quelle profondeur ?
Merci d'avance pour vos retour d'experience
Benoit
2 réponses
Alors perso j'ai opté pour des rails en alu bleus (le bleu, ma cryptonite!), mais j'attire ton attention sur le fait que les rails ont différentes dimensions.
Ceux que j'ai installé fonctionnent de faire avec des boulons de ce type:
ca tombe bien, c'est ce que je voulais. Sauf que....mes serres-joints MFT et pour rail de scie, qui pourtant ont un "bec" plat, n'y rentrent pas. Donc avant de choisir ta fraise ou ton rail, décide bien des accessoires que tu comptes utiliser dedans.
Pour la petite histoire j'en avais reçu des XXL il y a longtemps, mais inversement ils étaient trop larges pour fonctionner avec les outils de mon atelier:

Vu le prix des rails en alu, et surtout vu la difficulté à en trouver, j'ai fini par acheter des profilés alu de section rectangle (creux) en vue de couper moi-même l'ouverture sur toute la longueur, qui les transformera en rails.
Mais je n'ai pas encore fait la manip, pas de retour d'expérience, donc, mais juste une idée.
Bonne idée mais comment les couper proprement et précisément
Je pense (mais je n'ai pas encore vérifié, ça fera l'objet d'une question sur L'AdB !) le faire à la scie circulaire (scie sous table ou combiné) car je suppose que l'alu n'abime pas trop les plaquettes carbure.