L'Air du Bois est une plateforme Open Source de partage collaboratif ouverte à tous les amoureux du travail du bois. (En savoir plus)

Rejoindre l'Air du Bois Se connecter

Collectif Lurem C260N

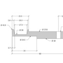
Poulie d'entraînement d'arbre de dégau sur Lurem C260N


Attention, ce schéma est mal dessiné, utilisez plutôt celui publié ci-après :

Les détails et la bonne manière de prendre les cotes sont indiqués ici :

Publications associées


Discussions

  Collectif Lurem C260N  ( via Ara  ) a publié le plan "Poulie d'entraînement d'arbre de dégau sur Lurem C260N".
il y a 11 mois
Paul26
( Modifié )

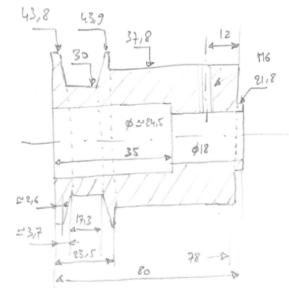
Et voici celui monté sur le moteur de la Lurem 260n.

Ara

Sur certains moteurs ! Chez moi c'est différent, mais je n'ai pas encore pris toutes les cotes.

Beñat64
( Modifié )

Le plan fait à la main est un peu faux, Largeur hors tout de la poulie 23.5, et 17.3 au fond, ça colle pas, sur la levre gauche je vois 3.7 et 2.6, il reste 1.1 ce n'est pas possible, l'angle doit être de 13,2° (au total env 26.5°)

Ara

Je n'ai pas mesuré l'angle, par contre je confirme pour les autres cotes car la lèvre droite est moins épaisse.

2,6 de "plat" puis 1,1 de "toboggan" = 3,7 + 17,3 du fond = 21, reste 2,5 pour la lèvre de droite, donc ça colle !

Beñat64
( Modifié )

Ara Merci pour votre réponse, effectivement vous avez raison, regardez l'ébauche que j'ai faite sur sketchup, j'ai repris vos cotes et quelque chose me choque au niveau de la courroie, ça me parrait très large.
Quelle courroie est utilisée ? En fait ça m'intéresse j'ai également une C260 et je n'ai aucune doc sur les courroies que je dois changer, scie circulaire, rabot dégo, et toupie. Si vous avez de la doc la dessus ou les réf des courroies, je suis preneur.
Amicalement.
Bernard

Ara

Courroies crantées de 20 x 6. Le manuel donne (première page) des longueurs qui ne correspondent pas exactement à ce que j'ai sur ma machine.

Manuel :

  • Scie 920 x 20 x 6
  • Dégau 1010 x 20 x 6
  • Toupie 920 x 20 x 6

Ma machine :

  • Scie : Trapézoïdale 920 x 20 x 6 crantée
  • Dégau : Trapézoïdale 985 x 20 x 6 crantée
  • Toupie : Plate 900 x 17 x 2

Je parle des longueurs extérieures, par contre je n'ai pas de référence. Je compte bien les changer, je publierai ce que j'aurai trouvé et chez qui.

Beñat64

Merci mille fois. Bonne journée

JeanS

Ara bonjour, pour ma part j’ai renouvelé les miennes chez 123courroies.com
Il y a un moteur de sélection par machine.

Beñat64
( Modifié )

Bonjour Ara,
Je regarde chez 123courroies pour une C260N, je vois 2 courroies de 970 (rabot/degau et scie circulaire) et une de 610 où va celle de 610 ? par contre si je regarde C260, ily a une courroie plate 950x20x1.9 (toupie) c'est bien ça ?

Ara
( Modifié )

De mon côté je suis en pourparlers avec :

Si vous avez besoin de courroies, on peut peut-être faire une commande groupée...

Beñat64

Ara Oui, pourquoi pas.

Connectez-vous pour ajouter un commentaire.
606 vues
11 commentaires
34 téléchargements

Caractéristiques

PDF  Format
61 Ko  Taille
 1 fichier

Publications associées

0 collection

Tags

    Aucun