Bonjour,
Je cherche les références des courroies du K26 afin de les remplacer sur le combiné que je viens de récupérer
Et particulièrement celle du bloc de scie qui n'est pas d'origine (en cuir cousu) et sans doute pas de la bonne longueur vu que la lame de scie dépasse du plateau dans sa position la plus basse...
Pour compliquer un peu les choses j'ai vu qu'il existait 2 versions de la K26: une version avec double courroies trapézoïdales, et une avec une seule courroie plate
J'ai pu trouver les dimensions des courroies trapézoïdales (20.5x10 pour la scie et 38.5x10 pour la raboteuse - en pouces à priori) mais malheureusement pas celles des courroies plates qui sont sur ma machine
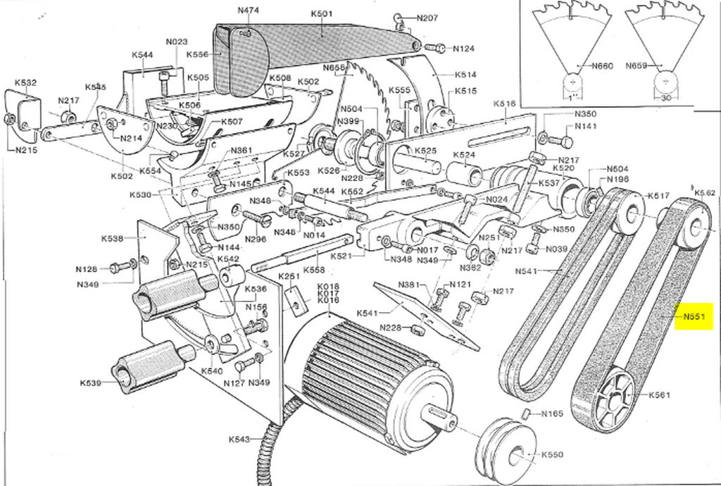
Pour le bloc de scie, ma courroie correspond à la référence N551 (celle de droite) :
Pour le bloc rabot / dégau c'est la référence N552 (à droite également) :
