J'ai fait déjà d'autre post sur cette combinée que je viens d'acheter.
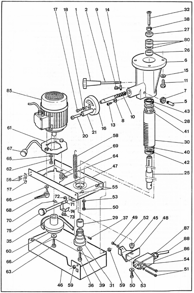
J'ai découvert que la poulie menante de la toupie (coté moteur) n'est pas d'origine ! Elle devrait avoir trois gorges et n'en en a qu'une ! J'ai une vu éclater que j'ai trouvé sur le net qui je pense correspond à ma machine mais, ne me donne pas plus de renseignement que ça (pièce N° 60 ). Je viens d'envoyer un mail à EMCL pour demander s'ils ont cette poulie à 3 gorges et si oui le coût. Je vous tiendrai informé de leur réponse.
Si un de vous qui lit ceci à des renseignements , une photos, ou les cotes de cette poulie que je pourrai éventuellement faire refaire (suivant le coût) je suis preneur bien-sur. Merci
Denis
4 réponses
Après mes réponses personnalisées (au dessus), je récapitule. Ces poulies à étage (merci glaude) sont pour une courroie plates. Si une personne connait les 3 vitesses annoncées pour ce modèle (lurem LC 260) ou équivalent ça m’intéresse. J'aimerai connaitre le N° de nomenclature de la poulie pièce 60 sur la vue éclatée (au dessus), car la réponse (rapide) de EMCL est que le responsable étant hospitalisé, il (celui qui me répond) a besoin du N° a 9 chiffres pour savoir s'il l'a en stock. Si un des lecteurs à cette info je suis preneur; et éventuellement la photo de cette page de la notice. Vu comme me le suggère Medalegno, que certaine toupie "amateur" n'ont qu'une seule vitesse j'aimerai connaitre cette vitesse moyenne. Et dernière question, j'aimerai connaitre la dimension de la poulie menante étagées (pour courroie plate). Prochainement je vais mesurer la vitesse à vide de la toupie tel quelle est montée. Merci Denis
. As tu vérifié, ou calculé à quelle vitesse cette poulie, qui ne semble pas d'origine, faisait tourner l'arbre de ta toupie ?
. Si, en l'état, elle tourne aux alentours de 6000tr/mn, as tu réellement besoin d'autres vitesses ?
Beaucoup de combinées n'ont qu'une seule vitesse, sans que ça ne pose de problème, pour un usage amateur.
Ce sont des points qu'il te faut vérifier, avant de te lancer dans la recherche, ou peut-être une refabrication de poulie qui peut être coûteuse.
Sinon, pour en calculer les diamètres, il te faut connaître les vitesses annoncées à l'origine, et par rapport à celles-ci, faire le calcul par rapport aux diamètres de la poulie de sortie, puisque celle-ci existe.
