Bonjour,
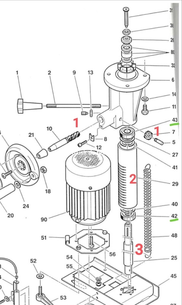
En pleine restauration d’une C2000, je souhaite remplacer les roulements de l’axe de toupie, mais je ne sais pas comment démonter celui-ci.
J’ai consulté le manuel, cependant je ne comprends pas bien le système de montage et je n’ose pas forcer inutilement.
Quelqu’un a-t-il déjà procédé à cette opération ou pourrait m’indiquer la marche à suivre ?
Merci d’avance !
?
Voir aussi

Merci à tous pour vos réponses !
En démontant le fût et l'axe, et en comparant aux informations de Xylopascal et au plan de Paul26, j'ai réalisé que la base de mon porte outil était en fait une bague grippée solidairement sur ce dernier.
Une fois cette bague extraite, les roulements et le fut devrait pouvoir être désassemblés par le haut (partie porte outil)