Salut à tous,
Je possède un lurem former 260 s de 2001.
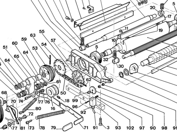
Il y a peu de temps on a voulu effectuer un entretien dessus j'ai changer les roulements au niveau de l'arbre de la dégau et quand on a retiré la poulie de degau la poulie s'est brisée...
Je ne trouve la pièce nul part... Pour moi la seule solution est de la faire fabriquer + de 350e...
Savez-vous s'il est possible de mettre de l' adaptable ou si quelqu'un a déjà rencontré ce problème ?
4 réponses
Je confirme, 350€, du vol. Tu n'as pas un pote qui aurait un tour à métaux? Sinon cherche tu atelier de rectif mécanique générale. Si tu ne trouves pas, regarde du côté de la restauration de voiture ancienne, ex dans revue Gazoline, il y a plein d'annonces pub de professionnels divers dont des ateliers de mécanique générale, il y en a peut-être un près de chez toi.
Tu peux aussi aller voir un petit garagiste et lui demander où il fait rectifier les tambours et disques de frein
ça fait du bien... Oui c'est bien cette pièce là.

Salut à tous merci pour vos réponses je joins la photo de l'arbre, je vais aller voir fin de semaine un tourneur-fraiseur.
Je vous tiens informé
Bah, c'est juste un filetage standard. 350 €, trop cher !