Bonjour à tous les amis boiseux ! Je dois acheter de nouveaux Fers pour la rabot degau de ma petite combinée, je vois que les fers hss peuvent être remplacés par des fers au carbure. Le tarif n'étant pas vraiment le même, je me demande si l'investissement est valable, la périodicité d'affûtage est elle vraiment allongée? Merci d'avance pour vos lumières !
4 réponses
Chez Tersa ( fers jetables mais réversibles ) il existe 6 sortes :
- HSS : acier rapide
- CR : acier trempé au chrome
- T1 : acier trempé optimisé au niveau des angles de coupe
- M+ : acier rapide avec 8% de cobalt
- GOLD : profil M+ avec un revêtement en nitrure de titane
- MD : carbure de tungstène
Pour changer / retourner mes 2 fers ça me prends moins d'une minute.
Les Forges de la Loire en fabriquent aussi en différentes qualités.
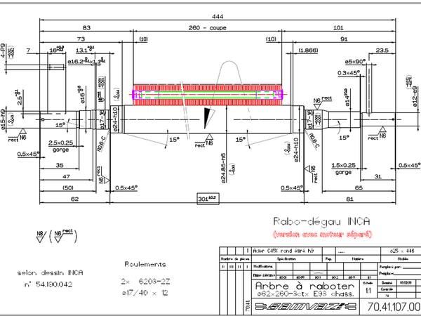
Il est possible de faire fabriquer un arbre de rabotage Tersa à 2, 3 ou 4 fers chez Samvaz.
Un exemple d'un plan ci-après.
Exemple d'un arbre de rabotage Tersa sur une machine de 1929 !
Bonsoir,
Certes le carbure va tenir plus longtemps mais coupe moins bien que l'acier rapide. Pour une dégau rabo j'ai connu les fers en acier rapide avec plusieurs nuances , les fers carbure un mixte ou on avait une petite partie carbure sur l'extrémité pour le stratifié et les fers à plaquette. Mais avec un bon affuteur l'acier rapide donne une meilleur finition par contre il faut les faire affuter souvent mais je ne suis pas sur que cela est plus onéreux .
c'est bien des fers, pas des plaquettes pour arbre hélicoidal ?
je sais qu'il existe des fers "jetables", au carbure surement, mais non affûtables. j'en ai entendu du bien, sur la qualité de coupe (possibilité de manger du panneau sans problème) et la durée de vie, dépassant celle de fers classiques avec plusieurs affutages. Mais je n'ai pas testé...
à mon idée, le risque serait de faire une dent sur un clou ou un gravier, et de devoir changer le fer, puisque non affutable. Et puis franchement, avec des fers hss de qualité, et une pierre diamant + simple montage d’affûtage, on peut raboter très, très longtemps .
