Bonjour à tous,
Toujours concernant cette porte d'atelier qui m'occupe pas mal en ce moment au niveau du choix de la ferrure, j'aimerai votre avis, retour d'experience concernant les paumelles.
Les portes seront en chêne, épaisseur 36mm avec un vitrage en partie haute. Porte sans recouvrement du bati.
Je pensais partir sur des paumelles type "lame a bout carré ou arrondi" dites picardes ??
Voici mes questions:
- Pour des portes de 193cm de hauteur j'envisage 3 paumelles à répartir sur la hauteur. Est ce suffisant?
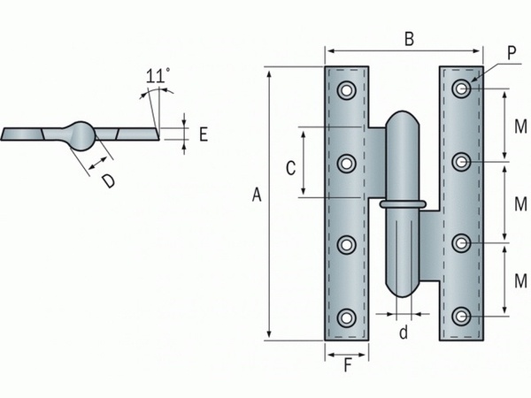
- Quelles dimensions de paumelle par rapport à l'epaisseur de ma porte (36mm)? Comment choisir les dimensions par rapport au dessin ci dessous ?
- Matière des paumelles (j'ai vu des paumelles 100kg et aussi des paumelles en acier roulé)
- auriez vous une référence à me recommander ?
- des préconisation particulière pour la pose lorsque l'on a jamais fait ?
Merci d'avance pour vos conseils toujours précieux.
benoit
3 réponses
Bonjour
il faudrait savoir le poids de l'ouvrant principale et sa largeur. Compte tenu de l'épaisseur de 36 mm je suppose que le double vitrage ne pèse pas énormément.
Donc faire simple des paumelles nœud 14 ou 16 en 160 par exemple.
Si vous voulez vous rassurer mettre 4 paumelle sur l'ouvrant principale ne pas les répartir uniformément : les deux du haut à toucher ; une au milieu ; une en bas.
Pour rappel les paumelles du haut empêchent que la porte saigne du nez
elles travaillent à l'arrachement , celle du milieu garde le montant droit et celle du bas travaille à la compression .


