Ce pas à pas présente un projet en cours de réalisation.
Actuellement en reconversion en maraîchage dans le Soubestre (nord Béarn, à la limite entre les Pyrénées-Atlantiques et la Chalosse dans le sud des Landes), je dois me lancer dans l'auto-construction (faute de moyens suffisants pour payer des artisans) de mon outil de travail et notamment d'un hangar.
Je souhaite réaliser celui-ci en ossature bois, et de par mon goût personnel mais aussi du fait des contraintes architecturales locales, je m'oriente vers un bâtiment de style "clouque" : bâti agricole traditionnel dans mon secteur.
Ce pas à pas suit mes démarches, mes réflexions et se veut plus un journal de bord qu'un véritable tutoriel à suivre : je ne suis ni architecte ni charpentier : je fais avec les moyens du bord.
Je vous suis reconnaissant d'avance pour toutes vos remarques et suggestions constructives. Merci d'éviter les attaques gratuites du genre "on ne s'improvise pas charpentier, gna gna gna" : cette démarche naît de la nécessité dans laquelle je me trouve et non d'une lubie.
Liste des articles
- Le plan du bâtiment (concept)
- Formation
- Entraînement
- Premières ébauches de plan de travail
- Ma bibliothèque charpente
- Dimensionnement, charges climatiques
- Dimensionnement, couverture
- Dimensionnement, chevrons travée centrale
- Dimensionnement, pannes travée centrale
- Dimensionnement, arbalétriers travée centrale
- Calcul des dimensions des pièces d'une ferme
- Vade Mecum
- Notes diverses
Le plan du bâtiment (concept)
Il s'agit d'un bâtiment rectangulaire presque carré de 12 × 13 m avec des débords de toit d'un mètre de chaque côté.
Images 3D et plan réalisés avec SweetHome3D sous Linux
La "clouque" est en béarnais la mère poule qui protège ses poussins sous ses ailes : c'est ce qu'évoque la travée centrale au toit très pentue (la tête), associé aux deux travées latérales aux pentes plus douces (les ailes).
Autrefois bâtiments agricoles, elles sont aujourd'hui réaménagées en habitations.
Usages et aménagement
Le bâtiment doit abriter un laboratoire (cuisine professionnelle), des sanitaires, un espace d'atelier, un espace de stockage clos. Ces parties seront protégées par des murs et occupera environ 65 m2.
Le reste de l'espace sous la toiture servira au stockage du matériel agricole.
Choix constructifs
Je veux une charpente ("ossature" ?) en bois, de type charpente traditionnelle.
La toiture sera portée par des poteaux en bois.
Les murs seront remplis en paille avec enduis à la chaux (composition encore à définir précisément)
La partie fermée disposera d'une chape en terre-chaux-chanvre.
Autres
J'envisage de "découper" le bâtiment en neufs morceaux (grille de 3×3 morceaux) et de monter la charpente des uns après les autres, afin de ne pas rester 3 ans sans voir aucun résultat (peur de la démotivation).
Je pense commencer par un module de la travée centrale, puis ses ailes, etc.
Il y aura 2 (3 ?) pièces "humides" : cuisine, douche, (WC à toilettes sèches : ça compte quand même comme pièce "humide" ?)
Il y aura une cheminée pour le chauffage (poêle à bois).
Formation
J'ai eu la possibilité de suivre une (très courte) formation "construire en bois" en janvier 2023, organisée par une association de développement agricole.
Sous la houlette d'un charpentier professionnel, nous étions 8 agris à réaliser un petit chantier durant 2 jours.
En 2023 nous avions fait un abri pour un outil agricole chez un collègue à Ogeu.
L'occasion de découvrir la manipulation de la scie circulaire, de la scie égoïne et des ciseaux à bois (ainsi que leur affûtage).
La formation ayant été reconduite en 2024, je m'y suis ré-inscrit et ai proposé cette fois comme chantier pédagogique mon projet personnel : une cabane de 5m2. J'ai eu la chance de voir mon projet retenu.
Voici déjà les plans (que j'ai dessinés moi même) du projet :
Puis en janvier 2024 la formation arrive à la ferme. Encore merci aux voisins qui ont aimablement prêté leur hangar et garage pour que nous puissions travailler à peu près à plat.
Et voilà pour toute ma formation en matière de charpente.
Malgré un papa boiseux, je n'ai jamais été fichu de planter un clou correctement avant. C'est dire si je partais de loin (^_^) !
Le reste c'est du travail en solitaire, de la lecture et la magie d'internet pour découvrir le travail des autres, s'inspirer et même apprendre.
Celui qui m'a le plus inspiré et motivé à l'époque - même si je ne rêve même pas d'atteindre son niveau, c'est le silencieux, calme mais efficace Mr Chickadee.
Pour ceux qui n'ont pas peur des spoilers, voici la réalisation finale :
Entraînement
Une fois la formation finie, je n'avais quand même "que" la première façade d'assemblée. Il m'a fallu faire les découpes et les assemblages des trois façades restantes tout seul ou presque : mon papa étant venu me donner quelques coups de main.
Lors de la formation les mortaises ont été faites à la mortaiseuse par notre formateur : en seulement deux jours pour dégrossir toutes les bases de la charpente, c'était un peu "too much" à son avis de nous lancer dans les mortaises.
Mais désormais seul et sans mortaiseuse je n'allais plus y échapper longtemps et donc bientôt : ma première mortaise entièrement faite main ! C'était aussi la première fois que j'utilisais un vilebrequin. J'adore cet outil !
Outils, travailleur et gardien
Pour l'assemblage des coyaux j'ai un peu serré les fesses, mais finalement c'est passé et j'ai pu assembler et monter pour la première fois ma première ferme : HOURRAAAAAA :-D
Mais par contre une question reste en suspend pour moi : comment appelleriez-vous le type d'assemblage que j'ai réalisé entre l'entrait et le coyau ?
L'assemblage de la plateforme de base a été compliquée : j'ai du m'y reprendre de nombreuses fois, à retourner la plateforme d'un côté et de l'autre (merci à mon compagnon qui m'a bien aidé) juste parce que j'étais mal organisé et que j'ai eu mille doutes et oublis divers.
Et je ne vous raconte pas comment j'ai galéré pour les plots béton : je vous mets juste quelques photos pour que vous vous fassiez une idée. Moi je dis : vive le système D !
Vous comprenez pourquoi j'avais besoin de construire cette cabane comme entraînement avant de me lancer dans un hangar de 200 m2 !
Et puis enfin, le jour du montage approche. Il faut amener le bois sur le chantier et tester la résistance de la grue en bambou.
Derniers ajustements et dernière mortaise (oubliée !), réalisée avec les ciseaux à bois qu'avait fabriqué mon grand-père !
Comme quoi, je savais peut-être pas planté un clou, mais j'avais quand même un peu le bois dans le sang.
Enfin on monte la cabane !
Un grand merci aux copains.
Finalement grâce à tous ces biceps réunis, la super grue en bambou n'a même pas servie une seule fois xD
bon faut dire que le sapin, c'est léger quand même.
La toiture en bac acier : quelle galère avec une telle pente de toiture ! Et sans échafaudage. Et ces plaques si grandes, trop grandes ! bah je savais pas que c'était aussi lourd et j'avais pas du tout anticipé comment j'allais les manipuler x-(
Mais le pire du pire c'était surtout le faîtage en bac acier : hyper dur à plier selon le bon angle (d'usine l'angle était bien trop grand), et j'aurais vraiment, vraiment du pré-percer les plaques au sol. Perché sur le toit, c'est beaucoup moins confort !
Et pour finir, pose de fenêtres (de récup' et que j'ai décidé de ne pas pouvoir ouvrir car j'en avais marre et je voulais en finir).
Exploitation de petite soeur pour brûler la face du bardage en épicéa (je croyais avoir commander du mélèze comme la première partie, mais apparemment non).
Mais au final : tadaaaaaam !
Ça m'aura pris 5 mois pour finir les découpes (bon j'ai pas fait que ça hein, je suis maraîcher à la base), 1 journée pour la monter, puis encore quelques mois pour finir la toiture, le bardage, poser portes et fenêtres, mais elle était hors d'eau avant l'hiver.
Premières ébauches de plan de travail
Je me lance donc, avec la maigre expérience que j'ai acquise (voir articles précédents), dans l'élaboration du plan de mon hangar.
J'avoue ne pas trop savoir par où commencer.
J'ai donc tenté de mettre en plan ce que j'imagine être de possibles assemblages. Mais c'est encore très balbutiant à ce stade.
Les plans présentés ci-dessous n'ont fait l'objet que de très peu de réflexion préalable : c'est plutôt du "je verrais bien ça comme ça".
Une fois ces plans faits, je réfléchis au dimensionnement des pièces de bois, et je retouche mes plans.
La version de janvier 2025 apporte quelques essais dont je ne suis pas sûr de vouloir les faire prospérer :
-> j'ai enlevé les poutres basses (qu'il faudra sans doute que je remette, avec un soubassement en-dessous ?)
-> Les poteaux seront posés sur des pieds de poteau en métal, eux-même fixés sur des plots bétons, il y aura un hérisson ventilé entre la terre et le haut du pied de poteau, puis une chape, sans doute en chaux-chanvre.
-> pour les fermes, je voudrais me garder la possibilité d'aménager les combles dans le futur, donc j'envisage des entraits retroussés, sans trop savoir encore comment ...
-> pour la couverture, je n'ai pas les moyens de me payer de la tuile, mais j'adore la tuile plate qui est typique de notre secteur, j'envisage donc de mettre du bac acier dans un premier temps (faute de sous), mais de concevoir une charpente capable de supporter des tuiles plates dans le futur.
Ma bibliothèque charpente
J'ai réuni dans la collection suivante les livres à ma disposition pour m'informer et me former :
Pour l'instant mes favoris sont :
Dimensionnement, charges climatiques
Mon projet se situe dans le nord des Pyrénées-Atlantiques, dans une zone de plaines et petites collines, sur un sommet de coteau, bien exposé au vent, à 180 m d'altitude.
Vent
Je n'ai pas réussi à trouver grand chose de très convainquant en matière de prise en compte du vent dans le calculs des charges s'exerçant sur la toiture.
Ce que j'ai trouvé de mieux pour l'instant c'est sur le site de cette entreprise ICAB :
Où je lis que les Pyrénées-Atlantiques, a fortiori le nord (collines) est en zone 2, en situation "normale"
Même si je me suis décrit ci-avant en zone "exposée" c'est mon ressenti sur place, mais ça ne correspond pas à la description donnée sur le site de l'ICAB pour les zones exposées : "bord de mer, falaise, vallée étroite, montagne isolée, col ..."
Donc je retiens les valeurs de 600 Pa en pression normale et 1050 Pa en pression extrême.
Étant donné que je veux que mon bâtiment résiste même en cas de tempête, je suppose que je dois baser mes calculs sur la situation extrême, je retiens donc 1050 Pa de vent.
Sachant que 1 Pa = 1N/m2, alors 1050 Pa = 1050 N/m2 = 105 daN/m2 ~ 107 kg/m2
Je suis surpris de n'avoir rien vu sur le vent dans l'ouvrage
Mais cet aspect est bien traité dans son complémentaire :
Là je trouve une carte presque similaire à celle présentée sur ICAB.eu
La vitesse de vent (vitesse de base pour chaque région) correspondante est de 22 m/s en zone 1, 24 m/s en zone 2, 26 m/s en zone 3 et 28 m/s en zone 4. Il est précisé que les DOM sont à 34 m/s sauf la Guyane à 17 m/s.
Malheureusement, je n'ai pas du tout le niveau nécessaire pour comprendre la démarche de calcul présentée dans "Calcul des structures en bois".
La seule chose que je comprends c'est que pour ma zone, la vitesse de base de référence est 24 m/s soit environ 86 km/h.
Je me contenterai donc pour l'instant de l'approximation offerte par ICAB.eu.
[Édition du 25 août 2025]
Gustave Oslet aborde la question de manière expéditive dans son ouvrage :
J'ai décris son approche en réponse à ma question à ce propos.
Comme il ne prend en compte que 90 kg/m2 en cas de "forte tempête", je considère que mes 107 kg/m2 obtenus sur le site ICAB.eu trouvent dans son approche, si ce n'est une validation, tout au moins un indice que ce chiffre de 107 kg/m2 n'est pas ahurissant.
Neige
Cette fois le guide « Dimensionner les barres et assemblages en bois » (2012, Eyrolles, Afnor), ne fait pas défaut : voir, p. 39 et 40
charge de neige S = Sk,alt (kN/m²) × µ1 × cos (α)
Sk,alt = Sk,200 = 0,45 kN/m² en zone A2 (carte p.40)
µ1 (toit à + de 2 versants) = 1,6
S = 0,45 kN/m² × 1,6 × (cos (47,73) = 0,672625151) = 0,48429 kN/m² ~ 49 kg/m²
Mais comme le site icab.eu/guide/nv65/neige.html propose trois valeur par zone : une valeur normale, une valeur extrême et une valeur accidentelle, lesquelles sont pour ma zone A2 : 35 / 60 / 80 daN/m2, par mesure de précaution je préfère retenir 60 daN/m² ~ 61 kg/m²
Charges climatiques
Du coup j'ai donc des charges climatiques : vent + neige égales à 105 daN/m² + 60 daN/m² = 165 daN/m² (~ 168 kg/m²)
Dimensionnement, couverture
Tuiles plates
J'adore les tuiles plates, je fantasme carrément sur les tuiles picon. Je trouve leur rendu magnifique.
J'ai donc prévu que ma toiture puisse en accueillir un jour et je la conçois en fonction de ça.
Malheureusement je suis pauvre et je n'ai pas de sous pour me payer des tuiles (même pas des bêtes tuiles mécaniques).
Dans un premier temps j'ai donc prévu de couvrir mon bâtiment avec du vilain bac acier parce que : pas le choix.
Mais en attendant, en me br... euh, je veux dire en parcourant sagement les prospectus de Terreal (Tuiles plates, guide de pose) sans aucun comportement suspect, je vois qu'ils indiquent que la pente minimale pour accueillir ce type de couverture dépend entre autre de la localisation géographique au regard d'une "Carte de concomitance vent/pluie".
Mon projet se trouve en zone 1 de cette carte : intérieur du pays à plus de 20 km des côtes et moins de 200 m d'altitude. Dans le tableau qui suit (qui fait référence au DTU 40.23), il est indiqué que la pente minimale pour ma zone et en situation "normale" (ni abritée, ni surexposée) serait de 80 à 90 % en fonction de la longueur de recouvrement des tuiles.
Sachant que ce qui me plaît dans les toitures nord-béarnaises, c'est aussi leurs belles pentes qui font penser à autant de maisons de sorcières (laissez moi fantasmer sur ces magnifiques toitures), je décide de pousser un peu et de monter à 110 % de pente (le guide de pose parle de pente jusqu'à 115%) par goût esthétique personnel. Oui je sais, plus la toiture est pentue, plus sa charpente consomme de bois, j'ai dit que je suis pauvre, mais j'ai quand même envie de faire un beau bâtiment : contradiction quand tu nous tiens...
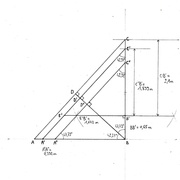
Considérant donc que la pente de ma travée centrale est de 110 % (47,73º),
sachant qu’une tuile est recouverte par le rang suivant environ aux 2/3 et par le suivant au 1/3, le « pureau » (surface de la tuile visible car non cachée par les rangs suivants) est d’ 1/3 de la longueur de la tuile,
considérant une tuile plate standard de type « Terreal, rustique » de 27 × 17 × 1,2 cm
on a 27 cm ÷ 3 = 9 cm soit recouvrement = (2 ×) 9 cm et pureau = 9 cm.
Considérant la longueur de la pente principale de 3,717 m, on calcule :
3717 mm ÷ 90 mm (recouvrement) = 41,3 rangs de tuiles nécessaires soit 41 ou 42 rangs pour 1 versant, soit 82 à 84 rangs pour deux versants.
Si 41 rangs alors 3716 mm ÷ 41 = 90,6 mm de recouvrement
Si 42 rangs alors 3716 mm ÷ 42 = 88,5 mm de recouvrement
Quelque soit le nombre de rangs retenu, on reste proche de la valeur de 9 cm de recouvrement, par soucis d’économie et pour alléger un petit peu la toiture on ne retiendra donc que 41 rangs par versant, soit 82 rangs sur les deux versants.
Sachant que la longueur de la toiture selon le gouttereau est de 13 + (2 × 1 m de débord) = 15 m, qu’une tuile occupe 17 cm de largeur, alors 15 ÷ 0,17 = 88,23 tuiles par rang × 41 rangs = 3618 tuile par pan de toiture, sachant que celle-ci mesure : 15 × 3,717 m= 55,755 m², on a donc 3618 tuiles ÷ 55,755 m² =
64,89 ~ 65 tuiles / m² (ce qui correspond bien aux indications du doc technique de pose de tuiles Terreal, rustique). À raison de 1,1 kg/tuile cela fait 71,5 arrondi à 72 kg/m² (~ 71 daN/m²)
(voir : doc. technique de pose des tuiles plates Terreal, rustique)
Charges totales à envisager sur les liteaux = charges climatiques + tuiles = 165 + 71 = 236 daN/m²
Liteaux 20×40 mm
Il faut un rang de liteau pour chaque rang de tuile (voir ci-avant), soit 41 rangs de liteaux pour un pan (ou 82 rangs pour les deux versants).
En admettant un dimensionnement provisoire du liteau de 20 × 40 mm (1), on a donc 0,02 × 0,04 × (13 + (2 × 1m de débord)) × 41 rangs = 0,0008 m² de section × 15 m de longueur × 41 rangs = 0,012 m³ × 41 rangs = 0,492 m³ par pan de toiture × 600 kg/m³ (approximation masse volumique bois résineux) = 295,2 kg de liteaux par pan de toiture ÷ 55,755 m² = 5,29 arrondi à 6 kg de liteaux / m² de toiture (~ 6 daN/m²).
(1) Voir pour référence ici forum.toiture....urces/image/544 on a retenu au moins 200 daN de charges, un entre-axe des liteaux de 9 cm (donc < 25 cm) et un espace entre appui sur les chevrons de 50 à 60 cm (à déterminer).
Charges totales à envisager sur les chevrons = 236 + 6 = 242 daN/m²
Rapport charge de structure / charge climatique = (71+6) ÷ 165 = 77 ÷ 165 = 0,47
Dimensionnement, chevrons travée centrale
Sachant que l’écartement entre deux pannes devrait être maximum de 1,8 m (1), voire de 2,4 m (2). NB : G. Oslet (p. 400) donne 2m à 2,25m comme étant une bonne moyenne.
(2) voir dans l'ouvrage ci-dessous les tableaux de charge acceptable pour les chevrons (p.94) proposent des distances entre appuis de 60 cm à 2,4 m : il est donc à priori envisageable d’écarter les pannes d’autant.
Sachant que le toit principal aura une longueur de pente de 3,717 m, on a donc 3,717 ÷ 1,8 = 2,06 arrondi à 2 entraxes soit 3 pannes par pan : 1 sablière, 1 ventrière / intermédiaire et 1 faîtière (cette dernière commune aux deux pans).
Soit 3,717 m ÷ 2 entraxes = 1,8585 m d’entraxe ce qui est trop (voir l'article ci-après sur les pannes).
On retiendra donc 3 entraxes, soit 3,717 ÷ 3 = 1,239 m d’entraxe.
Admettons en première hypothèse un chevron "standard" de 8×10 cm.
Leur entraxe serait donc par exemple de 60 cm.
La surface de charge à supporter par un chevron est donc de 1,239 m (entraxe des pannes) × 0,6 (entraxe des chevrons) = 0,7434 m²
Le poids du chevron est de : 0,08 (larg.) × 0,1 (htr) × 1 m (long.) × 600 kg/m³ (bois résineux) = 4,8 kg/m linéaire × 1,239 m (entraxe des pannes) = 5,94 arrondi à 6 kg (~ 6 daN) de chevron entre chaque panne.
Soit une charge totale à supporter par les chevrons entre les pannes = charge portée + charge propre = 242 daN/m² × 0,7434 m² + 6 daN (poids propre) = 180 + 6 = 186 daN (~ 190 kg).
En consultant la table de dimensionnement à l’Eurocode 5 des chevrons (Dimensionner les barres et les assemblages en bois, p. 93 à 96), et en appliquant un coefficient k4 pour corriger la pente de 1,3 (pour une pente de 110%) (3) on déduit qu’une charge de 186 daN × 1,3 = 242 daN pour une portée de 1,239 m, peut être supportée par des chevrons de sections 5×7 cm, 6×6 cm, et supérieures.
(3) j'ai extrapolé les valeurs de k4 au delà de 90% de pente puisque le guide ne prévoit pas cette situation
Si à cela on envisage de ne trouver que du bois de classe de résistance C18 (au lieu du C24 sur laquelle la table est calculée), alors on applique en plus le coef’ diviseur k1 de 0,75 soit 242 ÷ 0,75 = 323 daN.
On choisi dans un premier temps une section de 5×8 cm, capable de supporter 390 daN pour 1,3 m de portée (1ère colonne de la table directement supérieure à 1,239m). On modifie donc notre hypothèse de départ qui était de 8×10.
Le poids du chevron est donc désormais de : 0,05 (larg.) × 0,08 (htr) × 1 m (long.) × 600 kg/m³ (bois résineux) = 2,4 kg/m linéaire × 1,239 m (entraxe des pannes) = 3 kg (~ 3 daN) de chevron entre chaque panne.
Soit une charge totale à supporter par les chevrons entre les pannes = charge portée + charge propre = 242 daN/m² × 0,7434 m² + 3 daN (poids propre) = 180 + 3 = 183 daN (~ 187 kg).
Il y aura donc :
→ 15 m de toiture ÷ 0,6 m (largeur d’entraxe théorique calculé) = 25 entraxes,
→ 15 m – 0,05 m (largeur du premier chevron de rive) = 14,95 m ÷ 25 entraxes = 598 mm de largeur d’entraxe réel.
→ 598-50 = 548 mm entre chaque chevron.
→ il y aura 26 chevrons par pan soit 52 chevrons en tout.
Poids des chevrons = 0,05 (larg.) × 0,08 (htr) × 3,717 (long.) × 600 kg/m³ (bois résineux) × 26 chevron/pan = 0,0149 m³ × 600 × 31 = 8,92 kg/chevron × 26 = 232 kg chevrons / pan ÷ (3,717 × 15 : surface du pan) m² = 232 ÷ 55,755 m² = 4,16 arrondi à 5 kg (~ 5 daN) de chevron / m².
Résumé des chevrons
section : 5×8 cm
longueur : ~ 3.717 ⚠
cube : 0,014868 m3
poids : ~ 9 kg
nombre : 26 par pan de travée centrale (52 pour les deux pans).
⚠ il faudra recalculer les chevrons lorsqu'on connaîtra la longueur réelle de leur pente car pour l'instant elle est assimilée à celle des arbalétriers !
Dimensionnement, pannes travée centrale
Sachant que la travée centrale aura une pente de 3,717 m de long, on a donc 3,717 ÷ 1,8 = 2,065 arrondi à 2 entraxes soit 3 pannes par pan : 1 sablière, 1 ventrière / intermédiaire et 1 faîtière (cette dernière commune aux deux pans).
Soit 3,717 m ÷ 2 entraxes = 1,859 m d’entraxe ce qui est un peu (trop) long.
Si on veut faire 3 entraxes, on a donc 3,717 ÷ 3 = 1,239 m de largeur d’entraxe.
Les pannes ventrières (intermédiaires) doivent donc supporter une surface de 1,239 m (son entraxe) × 4 m (entraxe des fermes) = 4,956 m² chacune.
Le poids de la charge de structure est de 242 daN/m² (couverture + climatique) + 5 daN/m² (chevrons) = 247 daN/m² (~ 252 kg)
Une panne ventrière doit donc supporter entre deux fermes : 247 daN/m² × 4,956 m² ~ 1225 daN.
On consulte la table nº19 des pannes en flexion déviée (p. 125)
Section minimale = 75 × 250 mm d’après le tableau de dimensionnement à l’Eurocode 5 des pannes travaillant en flexion simple (le nombre d’appuis : 2 ou 3, n’influe pas sur le résultat trouvé) qui supporte 1354 daN.
Mais si on applique des coef’ correcteur pour un bois de classe de qualité mécanique C18 (k1 = 0,75) et une déformation (flèche) de max L/300 (k2 = 0,667) alors 1225 ÷ 0,75 ÷ 0,667 = 2449 kg ce qui est énorme et ne peut être supporté en portée de 4 m que par une section de 100 × 300 mm.
Même en supposant qu’on puisse trouver du bois de classe de qualité mécanique C24 (k1 = 1), la seule correction k2 pour la flèche nécessite : 1225 ÷ 0,667 = 1837 kg ce qui nécessite déjà une section de 100 × 250 mm en portée de 4 m.
Il faut donc se résoudre à rajouter des fermes pour réduire la portée des pannes.
À 2 m de portée, la surface supportée par la panne n’est plus que de 1,239 × 2 = 2,478 m²
et la charge correspondante 2,478 m² × 247 daN/m² = 612 daN.
En appliquant les coefficients de correction k1=0,75 et k2=0,667 il faut rechercher une panne capable de supporter 1224 daN.
Il suffit d’une section de 50 × 225 qui supporte 1307 daN, 65 × 200 qui supporte 1536 daN, 75 × 175 (1453 daN) ou 100 × 150 (1552 daN),
NB : pour toutes les sections de panne envisagées ici on a supposé une pose déversée (travail en flexion déviée). Si on posait les pannes d’aplomb il faudrait alors les délarder afin qu’elles puissent recevoir les chevrons, ce qui nécessiterait d’augmenter (significativement) leur hauteur pour compenser le délardage. Il résulte de ces calculs qu’il vaut vraiment mieux poser les pannes de biais (tenues par une échantignolle) plutôt que d’aplomb !
Une panne de 75 × 175 a une section de 0,013125 m² et un cubage de 0,02625 m³ pour deux mètres de long. Elle pèse environ 0,02625 m³ × 600 kg/m³ = 15,75 arrondi à 16 kg. Si on ajoute la charge propre de la panne aux charges de structures et climatiques déjà envisagées (612 daN) on a donc 628 daN, avec les coef’ correcteurs k1 et k2 on a 628 ÷ 0,75 ÷ 0,667 = 1256 daN ce qui est supportable par toutes les sections envisagées jusqu’ici et permet de valider la section de 75 × 175 mm (chargeable de 1453 daN).
Poids des pannes = 0,075 m (larg.) × 0,175 m (htr) × 15 m (long.) × 600 kg/m³ (bois résineux) × 3,5 (nbre de panne / pan : la faitière ne comptant que pour la moitié puisque supportée par les deux pans) = 0,013125 m² × 15 m × 600 kg/m³ × 3,5 = 0,196875 m³ × 600 kg/m³ × 3,5 = 118,125 kg × 3,5 = 414 kg. La surface de toiture étant toujours 3,717 × 15 m = 55,755 m² alors 414 ÷ 55,76 = 7,4 arrondi à 8 kg/m² (~ 8 daN).
NB: Il ne sera évidemment pas possible d'avoir et encore moins de manipuler des pièces de 15m de long. Les pannes seront donc aboutées entre elles. Les pièces auront probablement une longueur de 15 m ÷ 6 (nbre d'entraxes entre fermes) = 2,5 m, soit un poids de 0,075 × 0,175 × 2,5 × 600 = 19,7 arrondi à 20 kg. L'enture en sifflet semble appropriée pour se type d'about. Il faudra donc 6 morceaux par "niveau" de panne" × 3,5 panne/pan =
La charge à supporter par les arbalétriers sera donc de : charge de structure = 242 daN/m² (couverture + climatique) + 5 daN/m² (chevrons) + 8 daN/m² (pannes) = 255 daN/m²
Résumé des pannes
section : 75 × 175 mm
longueur : 2,5 m
cube : 0,0328125 m3
poids : ~ 20 kg
nombre : 21 par pan de travée centrale (42 pour les deux pans).
Échantignoles
Elles se dimensionnent comme suit (voir cette question) :
longueur = 1,3 × hauteur de la panne
hauteur = 4/5e × hauteur de la panne
Soir dans mon cas :
longueur = 1,3 × 175 mm = 228 mm
hauteur = 175 × 4 ÷ 5 = 140 mm
Dimensionnement, arbalétriers travée centrale
La charge à supporter par les arbalétriers est de : charge de structure = 242 daN/m² (couverture + climatique) + 5 daN/m² (chevrons) + 8 daN/m² (pannes) = 255 daN/m²
L’entraxe des arbalétriers est de 2 m (écartement des fermes), leur longueur est de 3,717 m (longueur de la pente de toiture), la surface de chargement à supporter par un arbalétriers est donc de 2 × 3,717 = 7,434 m², la charge à supporter par un arbalétrier est donc de 255 daN/m² × 7,434 m² = 1896 daN.
On suit toujours :
probablement la table 17 (sans antiflambements), p. 148
Vérification du rapport charges de structures / charges climatiques : (255-165) ÷ 165 = 0,55 : on est toujours inférieur à 2,2 donc pas de coefficient correcteur k3 à prendre en compte.
Application d'un coefficient k1 pour classe de résistance mécanique C18 : 0,75, et d'un coeff' k2 de déformation L/300 : 0.667 :
1896 daN ÷ 0.75 ÷ 0.667 = 3790 daN, ce qui est beaucoup trop pour une portée de 4m.
Il me faudra donc absolument pouvoir disposer d'une bonne classe de résistance mécanique, en C24 voire si possible en C30 (coef 1.10 donc + favorable), et accepter une déformation L/200 (dans mon cas : + de 18 mm).
Si on recherche donc une section capable de supporter 1896 daN sur 4 m de portée, il n'y a que la section 100×300 capable de supporter une telle charge (jusqu'à 2457 daN). NB cependant : la section inférieure : 100×250 s'en approche assez avec 1805 daN acceptables. En augmentant cette section à 125×250 on est probablement bon.
Une autre solution est d'ajouter un ou des liens d'antiflambement : en effet, à cette condition, la table 19 (p.150) indique qu'une section 100 × 250 pourrait suffir puisqu'elle supporterait alors jusqu'à 2270 daN.
Il conviendra donc de vérifier la possibilité de placer au moins un lien d'antiflambement.
Poids des arbalétriers = 0,125 × 0,25 × 3,717 = 0,11615625 m3 × 600 kg/m3 = 69,69 arrondi à 70 kg × 2 arbalétriers par ferme = 140 kg × 7 fermes = 980 kg au total ÷ 2 = 490 kg par pan ÷ 55,755 m2 (surface d'un pan) = 8,78 arrondi à 9 kg/m2 ~ 9 daN/m2
On corrige donc le poids à supporter des arbalétrier de 1896 + 9 = 1905 daN/m2.
Envisager donc la section 100×300.
Résumé des arbalétriers
section : 125×250 mm ? à modifier si possibilité d'antiflambement (cf. ci-dessus)
longueur : 3,717 (à confirmer selon dessin final : peut-être moins car le poinçon prendra sans doute un peu de sa place)
cube : 0,11615625 m3
poids : ~ 70 kg (~ 69 daN)
nombre : 7 par pan de travée centrale (14 pour les deux pans).
Calcul des dimensions des pièces d'une ferme
J'avais envie de pouvoir afficher des divisions sous forme de fraction pour rendre ces calculs lisibles, donc c'est disponible sous forme d'un PDF hébergé là :
Vade Mecum
Les notes que je veux garder sous la main.
Relations entre masse, force et pression
La masse est exprimée en grammes.
La force est exprimée en Newtons : 1 N = (1 kg · m) ÷ s² (il faut donc une force de 1 newton pour augmenter la vitesse d'une masse de 1 kg de 1 m s−1 chaque seconde)
La pression est exprimée en Pascal : 1Pa = 1N/m² (c’est une force appliquée par unité de surface)
1 daN = 1,019 kg → 1000 daN = 1019,72 kg
1 kN = 100 daN = 101,972 kg
1 kg = 0,98 daN → 1 T = 980,67 daN = 9,8067 kN
Rappels de trigonométrie
-> Valeurs de cosinus (pdf JdF)
Équivalence pente % <-> degrés°
x % -> tan-1 (x÷100) = y°
y° -> tan (y°) × 100 = x %
par exemple :
pour une pente de 37%, l'angle de cette pente vaut :
tan-1 (37÷100) = tan-1 (0,37) ~ 20,3°
pour un angle de 72°, la pente correspondante est :
tan (72°) × 100 = 3,077683537 × 100 ~ 307,8 %
voir aussi : la représentation d'un quart de rapporteur avec les équivalence deg° / pourcent % sur Wikimedia
Notes diverses
Cet article me sert de bloc-note
Différence entre faux-entrait et entrait-retroussé
Le faux entrait est une pièce horizontale qui vient s'assembler dans les arbalétrier de telle sorte que les extrémités du faux entrait se situe à l'aplomb (juste en dessous) de pannes intermédiaires. Sa fonction est de soutenir l'arbalétrier au niveau de ces pannes (donc indirectement, de soutenir ces pannes). L'arbalétrier descendant plus bas que le faux entrait, il ne l'étire pas mais le comprime : le faux entrait travaille donc en compression et non en traction.
Exemple : fig. 611, fig. 632.
Voir Oslet (1890) Traité de charpente en bois, chap. V des combles, VI. combles à deux pentes, 4° combles à trois pannes, § 448, p. 272.
Un entrait retroussé est une pièce horizontale sur laquelle, aux extrémités de la face supérieure, les arbalétrier viennent se poser, lui appliquant donc une force de traction en l'étirant. Cet entrait retroussé est supporté à son tour par des jambes de forces qui sont tenues en haut du mur par des blochets et plus bas s'appuie sur un tirant pouvant servir à porter un plancher.
Exemple : fig. 624, fig. 634. Dans ces cas là, les arbalétriers ne descendent pas jusqu'à la base de la pente du toit : ils ne supportent pas la panne sablière, laquelle repose directement en haut du mur.
G. Oslet parlent aussi d'entrait retroussé lorsque cette pièce est supportée par des jambes de forces, même si l'arbalétrier continue de descendre jusqu'au bas du mur et comprime donc cet "entrait" plutôt qu'il ne l'étire. Exemple : fig. 608.
Ce pas à pas présente un projet en cours de réalisation.

Discussions
C'est un beau projet, je te souhaite une belle réussite.
merci !
Voici une construction bien illustrée qui pourrait te donner des idées, même si le bâtiment est différent.
Je pense que le toit à double pente est plus complexe dans ton cas, mais tu devrais pouvoir avoir une strucuture similaire.
Voir notamment les dernières photos de la partie levage. Dans ton cas, il faut "juste" gérer la double pente de ton toit.
Concernant tes deux premières ébauches, à première vue je préfère la première, qui comporte plus d'aisseliers que la deuxième. J'enlèverais toutefois les aisseliers qui sont près du sol. Et il faudrait éviter de "doubler" les poteaux.
ps: plan c'est pour la vue en plan, à plat, vue de haut. Ce que tu as dessiné ce sont des élévations car vue "verticales".
Bien penser que tu as un bâtiement en 3D, et donc il y aura aussi un réseau de d'éléments perpendiculaires à la vue en élévation que tu as desssinée, et également des aisseliers supplémentaires pour bien consolider le tout.
Je suggère d'ajouter de véritables vue en plan en compléments des vues en élévations, pour bien appréhender les différents "réseaux de poutres"
Enfin, le mieux serait de s'inspirer d'une telle charpente déjà en place, puisque tu cherches à reproduire le style de ta région.
pareil comm que dneis, va voler le diemnsionnement sur de l'existant, épaissir d'un cm de partout pour se rassurer a cause des abaques etc ca allourdi et change tout au niveau coup d'oeil,
fait confiance a l'empirique de ce qui se faisait alors dans ton coin
bravo beau projet