Bonjour à tous,
Je rénove actuellement une longère pour laquelle il nous restera 3 portes intérieures à poser en fin de chantier. Malheureusement, nous ne trouvons pas exactement ce que nous recherchons en terme de design, auprès des fournisseurs du coin. Je me décide donc à me lancer dans la réalisation de ces portes.
Concernant les matériaux, l'huisserie sera en chêne, les montants de portes seront en chêne, les traverses/panneaux (je reviendrais la dessus plus tard) seront en CP plaqués chênes avec des parties vitrées dépolies.
Il va me falloir créer les réservations dans les cloisons (placo, montants M48 et BA13 sur chaque parement). Pour cela, il faut que je définisse les dimensions des chambranles et contre-chambranles, me voici donc avec mes questions !
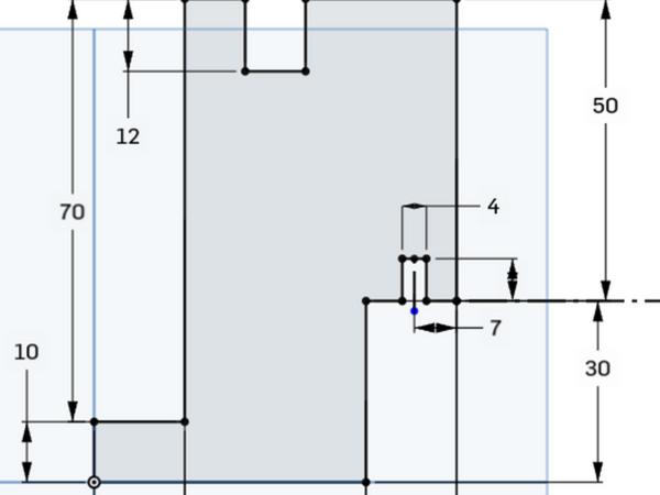
Voici où j'en suis :
La section du chambranle
La section du contre-chambranle
Une vue en coupe de l'assemblage final
Les profils sont bruts, sans congés ou chanfreins pour alléger un peu le design. Le but étant déjà de valider l'aspect dimensionnel.
Concernant le joint sur le pourtour de l'huisserie, je pense partir sur un joint Kiso pour lequel le fabricant (Kiso) demande un jeu de 5mm entre la porte et le chambranle. Sur mon assemblage, j'ai prévu 4mm afin d'avoir minimum 1mm de jeu entre la feuillure de la porte et le chambranle.
Le jeu sur le pourtour de la porte (gauche, droite et haut) sera de 3mm. Le jeu sous la porte sera de 10mm.
Pour la quincaillerie, je pense partir sur des fiches 3D Otlav Exacta de 14mm.
Concernant le chambranle et le contre-chambranle, chaque pièce seront-elles réalisables dans une seule pièce de bois ? J'aimerai garder un fil continu et éviter de devoir assembler plusieurs morceaux. Je pense réaliser le dégrossissage des feuillures à la scie à format, en laissant 3 à 4 mm de gras, et les finir ensuite à la toupie.
Pour le chambranle, cela fera une grosse sections puisqu'il faudra une pièce de 80x60mm après dégauchissage et rabotage.
N'ayant encore jamais réalisé de porte (hormis une porte de grange 2 vantaux, sans les dormants), tous vos remarques sont les bienvenues.
1 réponse
Bonsoir
J'avoue que j'ai un peu du mal à suivre.
Mes interrogations sont les suivantes :
Le chambranle comporte une rainure en contreparement avec un panneau ( vert sur la coupe ), mais le contre chambranle na rien ? Donc chambranle et contre chambranle sont t'ils reliés dans l'ébrasement.
Les chambranles semblent venir couvrir le placo grâce à une feuillure il reste un carré de 10 mm , attention de prévoir de venir en surépaisseur de la future plinthe , sinon il faudra des socles.
Il serait utile d'avoir une coupe horizontale sur la totalité du mur avec si j'ai bien compris les deux cloisons Ba 13 pour voir l'épaisseur totale de l'ensemble ainsi que la représentation de la quincaillerie pour voir si les perçages ne sont pas trop prés de la feuillure au passage on verrait aussi la place pour la serrure car c'est une porte à recouvrement.
il faut aussi définir aussi la fixation de l'ensemble pour que le montant de ferrage soit bien rigide.
Une coupe plus détaillée sur l'ensemble serait plus simple car j'ai peut être tout compris de travers?
