bonjour, première question ici, je sollicite votre indulgence. Du surcroît, pas boiseux, pas de formation, je suis le débutant parfait (enfin parfait, j'me comprends ...)
Donc l'objectif est d'assembler une table d'atelier avec du bois que j'ai déjà (acheté ou récupéré chez Articoxxx).
des chevrons de 1.2 m de long avec une section de 90x55.
un plan en agglo de 25mm d'épaisseur L 1.2m x 1m
et ... une Festool DF 700 (qu'on me met à dispo, reste à approvisionner les tenons)
j'ai dessiné (grossièrement dans Fusion360, je débute là aussi) une structure basique, dont les dimensions sont à affiner, de longueur 1.2m par 70 ou 80 parce que les plateaux d'agglo récupérés de 25mm font justement 1.2m x 1m,
Je prévois une hauteur de 90 +/- 3cm fini (pour des personnes de 1.7/1.75) qui seront les utilisateurs.
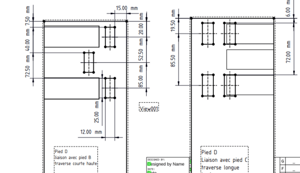
Ma question porte sur le dimensionnement des Dominos Festool à choisir pour assembler les pieds avec les pièces horizontales : j'ai vu qu'un assemblage tenon/mortaise était basé sur un principe de 1/3 de l'épaisseur de la pièce (soit 55mm ici). Ca suggère pour s'en rapprocher des tenons de 14 et 1 ou 2 alignés dans la longueur de 90 mm du chevron selon qu'il faut ou pas respecter la règle du 1/3.
Question 1 : diam 14, est-ce exagéré (12 ou 10 seraient-ils suffisants) ?
Question 2 : pour la profondeur de la mortaise, je voyais 38mm x 2 et donc une longueur de coupe des Dominos de 75mm (je pensais acheter des barres de 750 mm) ; d'une façon plus générale, y a-t-il des règles habituelles pour choisir les Dominos à la meilleure taille en fonction des usages ?
Question 3 : la colle. J'ai lu des sujets qui suggèrent la Kleiberit 303, ça se trouve à un prix raisonnable (encore que je n'ai pas d'idée de la consommation pour ma table) genre 11€ HT.
C'est tout pour le moment, mais en affinant ce 1er projet, je risque d'avoir bien d'autres interrogations à venir (+ quelques jurons que je garderai pour moi durant le chantier).
un grand merci à tous ceux qui veulent bien m'aider dans mon démarrage dans le mobilier !
2 réponses
J'ai réalisé le piètement de ma CNC (usinage 1070x700 mm), avec des madriers en sapin, corroyés et assemblés à l'aide de languettes pour obtenir la bonne épaisseur.
L'assemblage a été réalisé à la DF700 avec des dominos de 14 mm.
La règle des 1/3 a été plutôt bafouée, mais depuis février 2020, la CNC a beaucoup usiné (simplement posée sur son piètement, cales et butées toujours remises au lendemain...) Du bois brut, du CP, Medium, de l'alu épaisseur de 3 à 10 mm, laiton... Rien n'a bougé.
La suite

