Bonjour à toutes et à tous.
Dans le but de connecter automatiquement la mise en route d'un aspirateur lors de l'utilisation d'un outillage électro-portatif j'ai trouvé, je pense, cette solution qu'en pensez vous? car sur le marché il n'y a pas grand chose.
Merci de vos remarques et bonne journée au frais
Pièce jointe
conrad.com/ce/...hmann-0530x0620
6 réponses
 
    
Bonjour,
J'ai jamais testé (cela ne vas pas tarder), mais avec une recherche google tu tombes sur ce genre de produit : 
google.fr/sear...680&bih=954
C'est à dire : tu as aussi des multiprises pas très chère qui ont l'air de répondre à ton besoin.
 
    
Bonjour,
A moins que tu n'aies déjà ton aspirateur, il existe des aspirateurs (j'en ai un), pourvu d'une prise où brancher l'électroportatif. Quand celui-ci est mis en marche, il déclenche le démarrage de l'aspiration. Quand il s'arrête, l'aspiration aussi, mais quelques secondes après histoire d'avaler les dernières poussières résiduelles.
 
    
Bonjour Bricolo36
Cette multi prise te permet de démarrer plusieurs outils (esclaves) à partir de la pri se maître, hors ce qu’il te faut c’est l’inverse, démarrer ton aspirateur à partir de un ou deux outils planches dessus.
J’ai acheté chez eux pour 37€ le module Kenzo sur lequel j’aiconnect mon aspirateur en tant qu’esclave et deux prises maîtres, le tout passant par un interrupteur  3 positions, asservi, arrêt et manuel.
Le tout est visible ici
 
     
     
     
     
     
     
     
     
    
Bonjour,
Cette appareil est en vente aussi sur mano man quelques euro moi s chère pas contre je ne trouve pas la puissance maximum qu'il peut supporter.
Je pense qu'il serai judicieux de trouvé des informations sur ce points car un aspirateur de 2000W et une scie de 1500W pourrai bien tout faire fondre.
Bonjour Pierreyves
Chez ils renvoient sur Conrad pour la puissance je ne sais pas
sur le descriptif c'est mentionné courant nominal 16 A je suppose que c'est le total des appareils connectés, mais de toute façon je n'utilise qu'une machine à la fois
Aspirateur Karcher et défonceuse ou ponceuse ou scie pour le gros matériel j'ai un aspirateur à copeaux kity que je suis en train d’installer en fixe.
Merci pour ta réponse
Tu a ça aussi: amazon.fr/Modu...howViewpoints=1 3600W dispo et 25 Euros.
Bonjour Jean oui c'est ce que Olivier vient de m'indiquer
Encore merci et bonne journée à toi
Cordialement
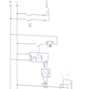
Bonjour à tous,
J'avais publié il y a un moment un schéma de câblage pour un circuit commandé en mono ou tri, voici le schéma, je pense que ça peut intéresser pas mal d'entre nous.
J'utilise ce module depuis un bon moment et ça marche parfaitement et beaucoup moins cher que la prise, par contre il faut faire un petit montage avec deux prises.
Bonjour Xavier
Merci pour ton schéma qui effectivement peut intéresser ceux qui possèdent le tri
Encore merci pour ce partage
Bonne journée