Bonjour,
Je suis en train d'installer un variateur de fréquence (altivar 2.5kw 230v) sur ma kity 609. 
J'ai pu faire tourner les 2 moteurs après recablage mais je souhaiterais que le variateur se lance lorsque que je j'allume une machine via son contacteur.
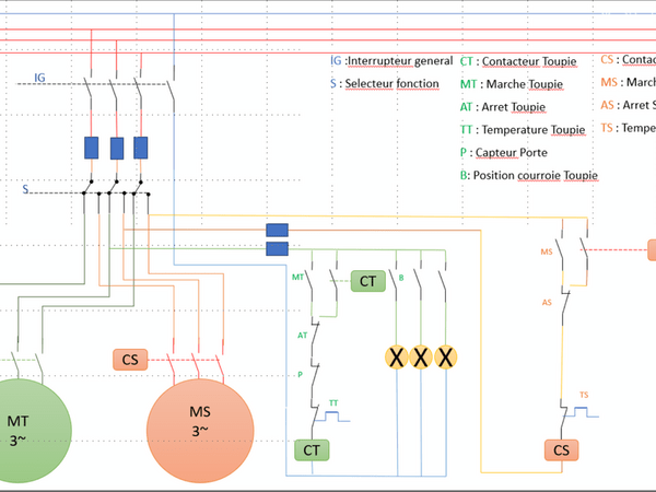
Voici le câblage d'origine constaté sur la machine
Et voici l'adaptation que je pensais faire.
Ma question
Auriez vous une idée pour piloter l'entrée logique du variateur qui lance le variateur via l'appui d'un des contacteurs qui sont en 230v.
Je vous remercie
3 réponses
 
    
    Bonjour
Si je comprends bien ton souhait, tu veux utiliser les contacts LI1 et LI2 du variateur (câblage du contrôle en deux fils)
Une des solutions possibles est de rajouter un bloc de contact auxiliaire sur chaque contacteur moteur (contact NO) et de câbler en partant du 24V du variateur vers le 13 du contact et repartir du 14 du contact vers l'entrée logique LI1.
En faisant cela , lors de l'appui marche, le contacteur se fermera et donnera l'ordre au variateur de se lancer.
Question 1: chaque moteur est-il équipé de son propre relais thermique?
Question 2 : quelle est la référence de ton variateur ?
Cordialament
Nota : si les 2 moteurs sont identiques, tu peux réaliser un câblage beaucoup plus simple.
 
    
Bonjour Julien,
J'ai publié cette semaine un pas à pas sur la rénovation de ma Kity 609, il y a un article au sujet de l'installation d'un variateur de fréquence. J'ai vu que tu l'avais consulté.
Est-ce que tu as pu finaliser l'installation de ton variateur de fréquence sur ta Kity 609 ?
Frédéric
 
    
Bonjour Julien,
Commençons par le commencement :
Un variateur de fréquence, quelle que soit sa marque, sans configuration préréglée (encore moins signal de consigne via un potentiomètre (certains Altivar ont une entrée analogique) et un bouton poussoir de marche par exemple), lors de sa mise sous tension, ne vas pas immédiatement lancer un moteur car il ignore ce qu'il doit envoyer comme courant.
Donc vous pouvez tout à fait allumer le variateur sans qu'il n'envoie de courant.
Ensuite, le plus sûr (et accessoirement le plus simple) serait de tout bêtement mettre un contacteur moteur par fonction avec un bloc de fonction auxiliaire ayant des contacts normalement fermé (NC) qui ainsi, pour le contacteur de la scie par exemple, coupera la continuité du circuit de la toupie à la fois pour le bouton et pour l'alimentation de la bobine du contacteur (sans oublier d'en faire autant pour le contacteur de la toupie pour le circuit de la scie)
Un petit bonus pour la route ?
Puisque c'est sans incidence particulière et tout autant facile à faire, il sera même possible de câbler le voyant lumineux en série dans la boucle du contact d'auto-maintien de chaque contacteur moteur, indiquant non seulement qui de la scie ou de la toupie fonctionne, mais en plus, peut également aider dans le diagnostic en cas de pannes (pas toutes bien entendu, mais tout de même certaines...)
 
     
     
     
     
    
Je mets en lien ce pas à pas paru quelques jours après questions et qui semble très bien y répondre.