Bonjour à tous !
Alors j'ai 1 (000) question(ssss) !
Je suis passionné par le bois depuis un petit bout de temps déjà, j'ai "construis" un atelier de 18m2 dans les combles chez mes beaux-parents depuis 2021 (ci-dessous la photo)
En 2024, j'ai(on) a eu la chance d'acquérir une partie de la maison (ancienne magnanerie en Drôme) des beaux-parents pour en faire notre petit nid !
En "ruine" donc énorme travaux. J'adore depuis toujours travailler de mes mains et ces travaux on confirmé ma personnalité, je ne veux plus être derrière un bureau toute la journée (je suis dessinateur-projeteur à l'origine et avec la menuiserie, ça me permettra quand même d'être encore un peu assis !)
C'est venu comme une évidence, je réalise les meubles de la maison (quelques exemple ci-dessous)
La cuisine
L'escalier
Les claustras
Et j'en passe... (Claustras, meuble SDB et WC dans le même style de la cuisine, tabouret, banc, table basse, dressing, bureaux, ...)
Pour ce qui est des marches, des panneaux cuisine et des claustra, j'ai commandé les bois bruts en panneau raboté 4faces n'ayant pas la place ni les machines pour travailler ce genre de panneaux/morceaux (j'ai ensuite réaliser tous les usinages nécessaire)
(je vais bientôt faire des posts de mes créations)
J'en viens à la question ultime,
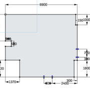
Dans la partie de la maison récupéré, se trouve un espace de 38m2 vouté au RDC sous l'ancien bâtiment (qui est maintenant une terrasse au 1er suite la demo des etages supérieur (je sais, c'est dur à expliquer..)) (regardez l'image précédente, à travers la baie-vitrée, c'est sous cette terrasse)
J'ai donc pour projet de transformer cet espace en atelier de menuiserie pro et de me reconvertir, je me pose la question de la taille de cet atelier, 38m2 est-ce viable ?
J'ai imaginé et dessiné l'encombrement des machines et je penses qu'avec rabot-degau et petite scie à format-toupie, j'arrive largement à circuler et à bosser
La porte coulissante que l'on voit au fond donne sur notre chemin privé, donc ultra-pratique
Le porte donne sur un garage ouvert de 60m2 à mes beaux-parents que je peux emprunter si je veux faire des assemblages et collages par temps doux
Deuxième question, je veux faire une dalle béton + rattraper les murs proprement + tirer l'elec
Pour le plancher je vois que c'est dur de trancher entre beton ou bois en finition
Est-il possible de faire dalle + isolant polyu + OSB de 22 en flottant et poser les machines dessus ? (j'ai l'impression que ça va faire membrane)
Sur la façade de la maison, j'ai le 380 qui arrive (environ 50 mètre du futur atelier), est-ce que ça vaut le coup de le faire tirer ? aucune idée des démarches, des coûts.. (j'ai eu le consuel du premier coup pour la maison et j'ai fais l'elec tout seul mais le 380 j'y connais rien, ni les normes pour un atelier et j'ai pas envie de réitérer l'expérience de fouiller sans relâche les normes ...)
Je pense qu'avec un sous compteur (pour épargner ma femme de la conso de la rabot :) ) sur le réseau de ma maison, je peux m'en sortir sans problèmes sans repasser par les services (in)compétents
Voila après j'ai plein de question qui tourne autour de l'atelier mais ça commence à faire lourd, je suis navré..
Merci beaucoup si vous avez pu tout lire et encore plus si vous avez pris le temps de répondre
4 réponses
38m² ça se fait ; j'ai à peu près la même chose mais avec plus de hauteur et des portes plus grandes. Par contre a impose de bosser projet par projet, et ça rend difficile de stocker des matériaux en quantité.
Quand j'ai démarré il y a 5 ans ça ne posait pas de soucies ; mais depuis mon fournisseur de bois a changé de politique : il ne vend plus de plateau à l'unité mais uniquement fût complet.
Si tu as du terrain et la possibilité d'aménager des espaces de stockage extérieur à moindre frais ça peut être pas mal.
En gros si tu pars sur cet atelier, il faut dimensionner ton entreprise en fonction : soit tu fais 90% du boulot sur chantier chez le client ; soit tu fais de la petite pièce en atelier ; soit tu fais de gros projets en atelier mais avec un rythme très contraint ; soit un mix à adapter entre ces trois versions (perso j'ai fais les trois versions avant de me fixer sur la fabrication de petites pièces ; un pote à moi s'est lui plutôt orienté sur la première... à toi de voir suivant ton caractère, ton budget d'investissement etc...)
Le 380 ; c'est trop bien. 50m c'est long, mais pas non plus hyper long... Si les 50m sont chez toi, je pense que l'investissement dans la ligne sera remboursé en économies sur l'achat de machines fiables en occasion comparé à des machines en 220V. Si tu tire une ligne depuis ton tableau actuel, il faudra monter l'abonnement très haut pour encaisser les pics de démarrage, oublier l'éventuel contrat heures pleines heures creuses car tu bosseras toujours en heures pleines... Pas sur qu'un simple sous compteur suffise à éviter que ton foyer ne paye une partie de ta conso.
Par contre il ne faut pas trop s'inquiéter de la conso des machines : en atelier seul ma conso cumulée à l'année est la même que le chauffe eau du foyer à lui seul (c'est un vieux pas performant je dois dire).
Les normes ne sont pas plus compliquées que pour une maison car ça restera un atelier de petite taille, pas une industrie. La seule différence notable c'est qu'il faut équilibrer la répartitions de tes lignes mono sur ton tableau tri (l'éclairage, les prises 220 etc... il faut réfléchir à ce qui sera allumé ensemble pour éviter d'avoir tout qui tire sur une phase alors que les deux autres ne servent pas).
Je crois réellement qu'il vous faut vous poser des questions essentielles avant de tout installer dans 38m2...
Que vais-je produire?
(des portes impliquent plus de d'endroit de manutention par exemple)
Comment vais-je produire?
(Sans local de giclage ou de peinture, tu dois tout bâcher, et ça t'impose de ne plus faire de poussière, alors tout huiler par exemple.)
Comment je fais la manutention?
Est-ce qu'il y a un accès camion? Est-ce que tu as de quoi décharger et stocker dehors?
Ou sont mes clients?
Est-ce que c'est vraiment chez toi qu'il faut faire ta menuiserie? le bruit, la poussière, les soucis du patron qui ne sont jamais loin?
Est-ce que j'ai des possibilité d'évolution?
38m2 c'est petit. Faisable mais petit. Donc si tu investi trop là-dedant, tu risques d'avoir le syndrome des coûts perdus et rester galérer dans trop petit parce que tu as de la peine à quitter pour plus grand vu tout ce que tu auras investi.
Enfin: Divorce, revente maison: Tu perds ton local du jour au lendemain... Regarde Olivier Verdier sur youtube par exemple.
Bonjour
Pour le 380 si tu peux n'hésites pas, coté installation ce n'est guère plus compliqué que le 220. 38 mètres d'atelier c'est peu pour un pro mais il faut savoir ce que tu veux fabriquer, si c'est des petits objets, c'est possible mais si c'est du meuble, cette fois je peine à imaginer.
Coté sol, perso j'irai vers un sol en dur et isolé éventuellement recouvert d'un plancher mais pas en osb. Il va s'user très vite aux endroits où tu stationnes, comme devant l'établi.

Salut, je réponds très brièvement car je pars bosser mais j'espère que ça lancera les réactions.
Perso, tu hésites entre béton ou bois. Béton. Évite un sol en osb. À la longue, il va prendre cher.
Fais ce qu'il faut pour te tirer le 400 dans ton futur atelier. Interpelle EDF qui fera la demande à Enedis je pense. Au moins tu pourras peut-être te ramener une vieille mémère qui est fiable et qui ne te coûtera pas un bras. Pour commencer c'est pas mal !
Je laisse les autres donner leur avis. Bonne journée !
ecorse Ok, c'est ce que je me suis dis, j'aimerais bien voir un plancher osb après 5ans ça doit pas être jojo !
Effectivement je vais commencer à me renseigner de ce que je lis plus bas ..
En terme de machine j'ai fais un devis pour une A3-31 (énormément attiré par l'arbre à plaquette) et l'option 220V ne coute pas cher du tout
Du coup j'hésite à commencer comme ça et ensuite partir peut-être sur du 380 même si c'est con de faire l'install 2 fois..
Merci !
Pas d'avis pro, mais deux remarques: (1) plus que de la surface de l'atelier, je m'inquièterais de la hauteur sous plafond et de l'accessibilité. Pour le reste, comme dit cocoM, tu pourras toujours adapter ton activité à ton outil de production. (2) dalle de béton isolée: si le bâtiment est ancien et principalement en pierre, j'éviterais. De façon générale, avant de se ruer sur le béton de ciment, je prendrais le temps de regarder les alternatives en chaux-chanvre.
Alors concernant l'accessibilité, on ne peut pas faire mieux de mon point de vue ! (chemin goudronné jusque devant la porte coulissante)
En terme de hauteur pas de crainte non plus, au plus haut ça dépasse les 3m !
Oui c'est pour ça que j'hésite avec l'isolant sous la dalle
La pièce est "sèche" mais pour l'instant bien aéré
Merci