Ça y est, je suis hors d'air!
Et ça c'est bien vu les -6° qu'on se paye tous les matins!
Du coup, fabrication et pose de fenêtres et porte fenêtres en chêne. Ce fut long mais intéressant.
Elles ont deux joint d'iso (un sur dormant, un sur ouvrant.)
Tous les profils on été réalisé avec du matériel de menuiserie basique (lame de scie sur toupie, un outil à feuillure, scie circulaire... bref, pas de gros outils spécifique à 2500€ pièce!) sur le modelé du bouvet no 120 avec un petit profil/contre profil de 14.5° en plus sur les cochonnets (? je suis pas sûr du terme sur les ouvrants)
Les montants traverses sont assemblé par tenons mortaises de 20mm d'épaisseur et mini 60mm de long, chevillés à la tire.
Les gâches sont défoncés dans les dormants / faux dormant
Les dimensions des montants/traverses uniques sur chaque fenêtre vient du fait que je traine des doubles vitrage FE argon depuis 4 ans que j’avais sauvé de la déchetterie, je suis donc partit à l'envers avec la contrainte dimensionnelle du verre pour remplir les ouvertures. J'ai quand même du acheter quelques vitres pour finir le remplissage mais je pense qu'une bonne économie à été faite sur l'ensemble.
J'admets que j'ai un peu peur sur la porte fenêtre seule, les traverses sont fines... On verra dans le temps...
C'est un peu le luxe des fenêtre en chêne pour l'atelier mais un papi vendait un lot de bois au prix du pin pas loin de chez moi alors j'ai foncé. Je sais, il y a des nœuds, c'est mal, l'enfer me guète! 
Pour l’extérieur, on (avec la voisine ferronnière) a choisit de les peindre de la couleur de la toiture, ça protège mieux et ça fait clean si des clients passe. Pour l'interieur, on a fait huile dure, je me voyais mal cacher le chêne de partout...
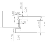
Les profils en coupe donne ceci:
La deuxième image représente le montant avec les rainures pour la crémone.
Edit: Il fait beau chez moi! ^^

Discussions
ça donne un sacré cachet vu de l’extérieur et une super vu de l’intérieur. mission réussi!
Merci!
Pour l'instant c'est un peu une super vue sur le bronx mais maintenant que les fenêtres sont faite, je vais pouvoir faire le ménage de vitres de récup!
Toute la lumière que ça doit donner, ça fait envie...
Bravo.
Aujourd'hui je sais pas vraiment si il a fait jour mais effectivement, c'est top (surtout par rapport au baches qu'il y avait avant!)
D'autant plus qu'il y a encore des polycarbonate sur les descentes de toit, j'ai un peu l'impression d'être le roi du pétrole
Merci! ^^
Canon !
Y'a pas assez de photos de ton ateliers dans ton profil. C'est top ta réno ça commence à faire vraiment fini
En fait, j'attends de faire la séparation avec les metaleux et j'en prendrais plus, promis! ^^ J’espère d'ici fin fevrier d'ailleurs!
et pour une fois les cordonniers ne sont pas les plus mal chaussés!
çà n'a pas été trop galère cette réalisation avec des outils conventionnelles. Je suppose une multitude de passes à la toupie pour arriver au profil souhaité
Merci!
C'est tout à fait ce que je me suis dit: "Jsuis pas cordonnier vindieu!" ^^
Honnetement, j'imagine que les profils avec les outils qui vont bien sont plus rapides mais c'était vraiment pas les usinages le plus long, je dirais que j'ai fais le tout en quelques jours malgré les bois qui ont tous des largeurs différentes.
C'est plutôt le cumul des trucs non standard qui finit par prendre du temps: des tenons mortaises au lieu des enfourchements, le choix de cheviller les tenons, le défonçage des gâches au lieu d'en mettre à vis, les temps de séchages de la finition vu qu'il fait froid, le démontage des verres de récup... ect
Pour tout dire, je ne sais pas ou est passé le temps! Comme d'habitude...
Mais je suis bien content, ça en valait la peine. Maintenant, au boulot!
Bravo , ça rend super bien !!!!!
Je suis en train de voir pour faire certaines fenêtres pour ma tiny aussi mais les fixes seulement car ça doit être chaud les ouvrants !?
Merci!
En vrai, c'est sûr que juste un châssis fixe c'est plus simple mais un ouvrant c'est pas pire non plus.
J'en ferais peut être pas 2 non plus.. Mais je m'égare..
Si t'as pas la pression timing, ça se fait pas mal.
Enfin, sans outils elec j'en ferais pas 40 non plus...
Les profils sont pas bien plus compliqué sur l'ouvrant que sur le dormant, y en a juste un peu plus...
Pis si tu fais ça, tu vas tous nous tuer!
La photo 2 c'est le montant avec la crémone.
L'Ecorce du Sycomore Mouais je vais déjà faire du fixe !
Mais je tenterai un jour !
J'ai mis les profils en édition, si ça intéresse quelqu'un ils seront plus visible..
L'Ecorce du Sycomore
Ça démange ! Je viens de trouver un fournisseur en chêne et châtaignier plutôt intéressant!!!
Plus qu'à terminer le H.S. du Bouvet !
Je comprend, c'est le défi!
T'as des outils pour faire des rainures à joint aussi fine?
Il est bien le HS? Je me suis basé sur le numéro 120 perso.
Si je ne m'abuse, c'est la même chose (même auteur et mêmes articles).
J'ai pas le 120 mais si Seb le dit ! (Parce que Seb c'est bien !!!!
Ho la laaaaaa !!!!!)
Pour la rainure fine j'ai un fer de cette taille sur mon Stanley 45.
:smile
trente six seb Je l’achète pas alors! ^^
dependancesbois T'as tous le matos, c'est tentant quand même nan? C'est une grande fenêtre?
L'Ecorce du Sycomore Je pense à une porte vitrée, un ouvrant de 1m par 1m , 2 ouvrants de 40x60 et 2 ou 3 fixe de 40x80.
Va commence à faire !
Maintenant suivant si le bouillard est gris clair ou gris foncé tu auras une idée de si on est le jour ou de nuit ou en période de pleine lune !
Ca va commencer à devenir douillet ton atelier là !! 9a va être sympa d'en voir plus.
Et merci pour les profils.
Pour la porte fenêtre avec les traverses toutes fines, tu as la possibilité d'incruster des équerres dans les angles, et pourquoi pas une bille sur le bas, côté crémone, ça soutient la menuiserie quand elle est fermée.
Ehoh, jsuis pas en bretagne non plus!
Pas con le coup du calage, je vais le faire. Après, le verre est bien calé donc ça fait contrefort si je ne m'abuse.
Et pas mal les équerres aussi, je vais voir si la voisine ne peut pas en forger une paire! Ça sera joli en plus.
C'est clair que c'est douillet, ça motive le matin d’être dans le beau et chaud..
L'Ecorce du Sycomore
Ehoh, jsuis pas en bretagne non plus!
Jaloux
dependancesbois Nop, moi j'aurais creusé la manche 120km plus bas!
Oui, je sais, j'ai vus des machines dans l'atelier !!!
li fait chaud, très chaud 120 km plus bas. Demande à Jules Verne !!
Salut très jolie . J ai fais comme toi pour mon atelier mais en porte coulissante ouverture 2M et en sipo .je suis exposer plein sud il fallait un bois résistant laqué en blanc
Salut et merci.
C'est des coulissantes étanches? Je serais curieux de connaitre les profils des coulissantes, je n'ai jamais étudié la question et je ne connais pas la quincaillerie.
fred01 Ahah avec le brouillard qu'on a dans l'Ain, c'est pas le soleil qui va abimer ton bois
L'Ecorce du Sycomore c est du ferco j ai mis des rails a balais en bas et en haut et join a la fermeture .
Bravo!
Arigato gozaimasu Sensei!
Très bel espace et superbe conception. Ces ouvertures en verre amènent probablement beaucoup de lumière naturelle à l'intérieur. Pas de crainte pour les vitres? Etant un peu maladroit moi-même, j'aurai peur de les casser avec des heurts malencontreux?
Merci.
La peur n'évite pas le danger.
Je n'y ai pas trop réfléchis en fait. A part au moment ou je charge et décharge, je ne travaille pas dans les parages et les risques de projection sont plutôt vers le fond de l'atelier.
Bonjour,
L'Ecorce du Sycomore Belle réalisation !
J'ai le même projet et ai épluché le même HS du Bouvet, et ai aussi du chêne récupéré à très bon prix sur LBC. Les assemblages ne me font pas peur, mais j'ai 2 problèmes en cours avant de me lancer :
-Qu'as-tu comme gabarit de pose des paumelles, pour quel modèle de paumelles ? Il y en a plein, à tous les prix, et je n'en ai pas d'expérience, et ne voudrais pas me tromper dans l'investissement
Merci
Salut,
Et merci.
Les paumelles je mets ça , c'est du lourd, et c'est facile à régler.
Et le gabarit de perçage, j'utilise ça avec l'ouvrant appuyé contre le dormant (jeu à 0) pour avoir du réglage, gabarit au contact de l'ouvrant et avec une petite cale entre le gabarit et le dormant pour le remonté de l'épaisseur du joint sur ouvrant.
Pour les joints, les miens viennent du même plan sauvetage decheterie que les verres donc j'ai pas eu trop à chercher. Par contre, je suis sûr qu'il y en a en vente sur leboncoin ou ebay au metre ou a prix correct.
Bonne journée
L'Ecorce du Sycomore merci pour les précisions. Je regarde effectivement aussi sur lbc pour les joints, mais peu d'annonces quand j'avais regardé, je vais pousuivre
Bonne journée
Bonsoir, sur certains joints en rénovation, j'avais trouvé des quantités raisonnables chez top joint et chez Profiles Market.
A noter que profiles market propose un service échantillon gratuit (j'ai reçu 5 échantillons de 12 cm des joints les plus usités en menuiserie bois).
trente six seb Merci pour les liens de ces 2 sites que je ne connaissais pas, qui proposent effectivement des petites quantités
avec plaisir

j'ai eu le même souci que toi le mois dernier.
trente six seb
hello !!
et ben moi j’ été dans la même situation jusqu'à ce que je lise ta réponse !!
C'est au poil ce site !! je me voyais déjà faire le tour des menuiseries pour savoir si une bonne âme voulait bien m'en vendre qq mètre !!
Un grand merci d'un voisin creusois !!
Avec plaisir. Pour la petite histoire, j'ai changé des joints sur une vieille porte d'entrée. Il me fallait exactement les mêmes joints que ceux en place. Impossible de trouver des quantités raisonnables et sur le même site. Mais ça restait abordable, même avec les frais de port.
Par contre, quand on calcule le prix au mètre, le rouleau de de 250 m reste largement plus intéressant, faut avoir le besoin quoi.
Je suis de l'autre côté de l'Indre, limitrophe Cher. Mais je suis arrivé dans le Berry par Argenton.
j'avais trouvé ce profil. Mais ce n'est pas évident d'en trouver.
Ce n'est pas toujours le profil qui pose problème, mais les dimensions, soit de rainure (notamment restauration) soit de dimension totale (toujours en restauration ou en fonction de l'outillage à disposition et des profils choisis).
C'est un sujet épineux et vaste sur lequel on peut passer beaucoup de temps.
c'est très bien
j'aime beaucoup le concept de réutilisé des verres qui serai parti à la poubelle sinon
je l'ai déjà fait sur les deux portail de mon atelier il ni a pas de petites économies
C'est s^r. Et entre les verres, les joints et quelques crémones, ça a bien fait baisser la note!
Question lumière c est top.
Bravo beau boulot
Merci Stef! ^^
Bravo !
Il y a une vingtaine d’année, j’ai acheté un coffret de marque ‘Freezite’ contenant tous les fers destinés à la fabrication de fenêtres.
L’épure est semblable à celle présentée par L’écorce du S…
J’avais compté que pour la réalisation d’une fenêtre, il fallait une quarantaine de réglages et passes à la toupie.
Mais le résultat est beau !
En contant ouvrant et dormant avec les passes de long et en bout, on doit pas en etre loin oui!
Il y a un paquet d'outil, perso je pense en avoir utiliser moins que ça mais sans doute au dépend de plus de pointage.
Dans l'outillage toupie pure je dirais:
1 lame de 3.5mm d'épais, un outil a rainure extensible 12/24, les deux outils à feuillure de la tenonneuse un contre profil à 14° (c'est du luxe, celui ci est dispensable), un bouffe tout incliné à 14 ° et une fraise 5mm pour la goute d'eau.
L'arbre inclinable réduit aussi le besoin en outillage..
Merci en tous cas.
L'Ecorce du Sycomore tres belle réalisation félicitations !!!tu parle d un contre profil a 14degres aurais tu une photo de celui ci car j arrive pas à voir de quel type il s’agit ? Merci beaucoup
jkd Merci! ^^
Sur le cochonnet (je crois que c'est le nom mais j'ai un doute. La pareclose fixe) de l'ouvrant, il y a une pente à 14° et plutot que faire la coupe à 45° pour la jonction avec les traverses/montant, j'ai la chance d'avoir un outil à contre profil de 14° sur ma tenonneuse.
Si c'est pas clair,je te fais un croquis mais c'est un peu tard dans la soirée maintenant.
Le cochonnet c'est la partie du dormant qui dépasse dans le passage du tableau (15 mm minimum suivant le DTU si je ne dis pas de bêtises). Si la feuillure fait 15 mm, le cochonnet est égal à la "parclose fixe" mais c'est un peu le hasard.
C'est bien pour ça que j'avais un doute, j'avais vu ce nom sur le dormant...
Mais alors, comment se nomme la "pareclose fixe"? racmterrof , une idée?
L'Ecorce du Sycomore merci pour ta réponse je vous mieu le truc . Je pense que tu parle du rejet d eau non ?…
Nop.
Un dessin vaut mieux qu'un long discours
Du coup, comme je le disais, j'ai la chance d'avoir ce contre profil mais il n'est pas obligatoire, tu peux découper cette fameuse pareclose fixe à 45° comme l'image ci dessous.
Le contre profilage c'est ça:
L'Ecorce du Sycomore a oui en effet je n avais pas compris ta réponse
Ben c'est juste le reste de bois après l'usinage d'une feuillure. Je ne suis pas sûr qu'il ait un nom. Cette partie peut être moulurée mais ça n'a pas d'importance particulière. Peut être qu'on lui donne le nom de la moulure ou tout simplement fond de feuillure.
Beau travail
Merci bien
Bravo l'ami ! Good job !
Merci copain!
Si tu passe dans le froid tu t’arrêtes hein! ^^
Assurément !
Superbe !
Qu'as-tu mis comme type de peinture ?
Merci Clément!
J'ai mis de la peinture bois solvanté unikalo (le magasin pro vers chez moi..) RAL7016 pour la teinte.
Je les avais peinte avant de mettre le vitrage pour eviter le calfeutrage mais ça à pas mal marqué à la pose. Je suis bon pour un troisième couche tout bientôt.
Ok merci !
Bonjour, j'ai exactement le même projet pour mon atelier. J'ai une petite question quant à la partie fixe, est-elle fixée directement dans la dalle, y as-tu mis du jeu en dessous, un compribande ?
Je te remercie pour ta réponse.
Je crois que j'ai mis un compribande. Enfin, d'habitude j'en mets un! ^^
J'ai fais un joint sika sur le coté extérieur. Et je crois aussi que j'ai fixé la traverse basse dans la dalle. Mais il me semble que ça ne se fait pas normalement.. Si des vrai menuisiers voient se message, l'info m’intéresse aussi.
En tous cas, je regrette pas de l'avoir fixé dans la dalle, vu la largeur totale de la baie, ça lui fait un point d'encrage au centre.
Si c'était à refaire, je ferais les montants extérieur continu avec les deux parties hautes par contre, je trouve que la globalité est un peu "flex"
Ca a déjà subit du gros grain et du gros vent donc ça devrait pas s’effondrer mais ça bouge un peu quand la porte claque.
Bonne fabrication.
Merci pour ta réponse. C'est justement ce coté flex que je voudrai limiter au maximum... Pour l'instant mon plan ressemble à ça, mais je ne me rends pas bien compte du coté flexible de l'ensemble.
Merci encore, bonne journée à toi.
Le manque de rigidité du plan initial provient en grande partie du fait que le montant vertical du châssis de la porte ne prend pas appui directement en haut du tableau, sous le linteau.
L’imposte qui sert d’intermédiaire a de plus son montant vertical décalé du montant de la porte.
En revanche, ton plan corrige ces deux points et devrait donc être bien plus rigide.
L’autre source de flexibilité est due à l’épaisseur choisie pour les montants des châssis, a priori 60 mm pour le plan initial.
Tu peux augmenter cette valeur, surtout sur le montant central qui est flottant (tes montants latéraux seront eux fixés dans le tableau et ne bougeront pas).
Merci pour cette réponse. Je suis parti pour l'instant sur un montant central de 70mm. D'ailleurs, je me questionne sur la meilleurs manière de le fixer en haut sur le linteau et en bas sur la dalle...
Tu prévois une installation « en tunnel » dans le tableau ou bien en appui sur celui-ci ?
Cette dernière méthode « mange » un peu de place dans ta pièce mais te permet d’obtenir plus facilement une bonne étanchéité autour de ta menuiserie et une meilleure isolation thermique, si tu as une isolation intérieure.
Accessoirement, elle te facilite la fixation de celle-ci.
De simples équerres suffisent en général. Elles disparaissent ensuite sous l’isolant.
Au sol, tu as le choix : équerre ou plaque rapportée.
L’équerre restera visible si tu n’ajoutes pas de sol au-dessus. Dans ce cas, une plaque rapportée est plus discrète. C’est une patte métallique plane, fixée sous ton montant, puis vissée au sol.
Je te remercie. Ce sera une pose en tunnel. J'avais pensé aux équerres, mais effectivement une plaque rapportée sera plus discrète d'autant plus qu'il n'y aura pas de sol au-dessus de la dalle. Je te remercie pour toutes ses réponses. Bonne soirée.