A tous Plop.
Dans le cadre de modifications d'un mas en pierres de pays, je suis confronté à la réalisation de charpentes de soutènement. Elles seront préalables à l'arrivée des tailleurs de pierres qui s'en serviront pour élever les voutes.
pour commencer des images du contexte :
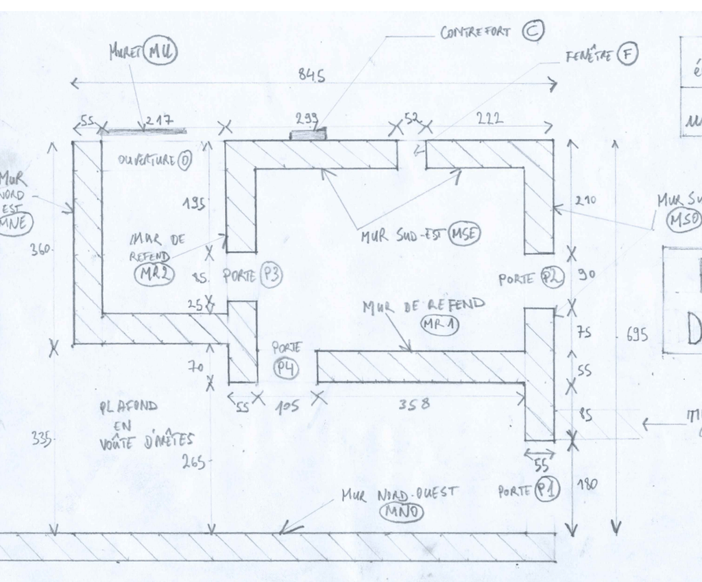
Pour suivre un plan des lieux. Comme renseigné, la pièce en bas à gauche est déjà bâtie en Arêtes. Il faut donc Bâtir les trois autres parties.
Ensuite une ébauche de plan du tailleur de pierre, des rayons de courbures notamment.
Et enfin je vous joins une image des lieux de l'intérieur. Avec la partie possédant une Voute d'Arêtes et les parties que l'on doit bâtir.
Voilà ce qui est à faire. J'en suis aux prémices de cette réflexion. La réalisation du chantier devrait être estivale. Cela me laisse 6 mois pour me former et préparer ce chantier.
Cela nécessite cependant de donner à mon tailleur de pierre un pré-devis afin qu'il puisse chiffrer également.
Je vous sollicite donc dans le cas ou vous auriez des ressources à ce sujet. Que ce soit des ressources théoriques, techniques, pratiques ou encore relationnelles.
Si vous avez un ami qui à travaillé sur celles de Guédelon par exemple. Ou si vous avez réalisé des structures de soutènement de ce type, je suis client.
Avez vous une idée de si ce travail est réalisable à deux ? Je pense que oui si l'on procède avec les tailleurs de pierre pour le levage sur les étais.
Pour finir (Mes excuses pour le pavé
!)
Le plan actuellement est de construire une série de fermes étayées, tous les 50cm, et d'habiller d'un lattage pour soutenir les pierres.
Des questions techniques se posent dés lors :
Comment contreventer les fermes ? sur leur plan pas de soucis, mais elles seront disposées comme des dominos.
Comment réaliser les deux alcôves latérales sur mon "tunnel" de fermes ?
Quels assemblages prioriser ?
Le douglas vous semble être un choix adapté pour cette réalisation ?
Allez je m'arrête ici pour cette fois. Merci d'être là les amis, sans vous certains horizons resteraient inaccessibles ;)
Copalement
Oak.
6 réponses
Salut Oak
N'ayant jamais réalisé ce genre d'ouvrage je ne saurais t'aider,
par contre je me suis souvenu avoir survolé un chapitre sur les cintres
dans le " Traité Pratique de Charpente " de Barberot (il y a une critique sur l'air du bois).
Une trentaine de pages, allant de cintrage de baies dans les murs,
jusqu'à des cintres pour des ponts de 40m, différentes fermes vue de face et de côté.
.
Sur les voûtes d'arêtes peu d'informations, un petit paragraphe ci-dessous "cintres divers", pas de plan ni de détails d'assemblage pour la tête de poteau recevant les 3 fermes.
Je met aussi l'introduction sur le décintrement que j'ai trouvé très intéressante:
J'ai essayé de me mettre à ta place en dessinant des arcs sur sketchup, et me suis rendu compte que l'assemblage des fermes de noues, doubleaux et formerets demande une certaine réflexion, le dimensionnement des pièces et le moyen de décintrement aussi.
Rien d'insurmontable, avec les ressources disponibles sur internet et l'aide des Maîtres de l'Air du Bois.
Aussi je te conseille vivement d'avoir des plans bien ficelés avant de faire ton devis,
afin de savoir précisément le volume de bois nécessaire ( pourras tu le ré-employer par la suite ?), estimer ta main d'oeuvre pour la taille, l'assemblage et le démontage, cela n'est pas évident avec le manque de pratique (je me suis planté plusieurs fois).
Pour en revenir au Traité de Barberot, à aucun moment il n'aborde le trait de charpente,
mais il contient pas mal d'informations sur les types de fermes, poteaux, poutres, pans de bois, l'équilibre des forces, cela peut être utile à un charpentier.
J'ai mis ici quelques extraits, si cela peut te servir je t'enverrais volontiers le chapitre complet.
Je ne connais personne à Guédelon, mais je connais quelqu'un (virtuellement) à Moncornelles et au Château de Penne.
Si tu veux, sans aucune certitude de réponse, je peux le contacter.
enfin une question intéressante qui nous change un peu les étaiement de voûtes
sujet d actualité avec notre dame de paris
le charpentier suit la demande du maçon , qui doit lui fournir l épure des voûtes a réaliser et les epaisseur des matériaux que doit soutenir les coffrages et la matière
le charpentier lui réalise la charpente en tenant compte de décintrement
a guenelon et s'agit de voûtes avec arc doubleaux et non des voûtes a obtenir dans le projet je possède de la documentation sur le sujet mais je vais a la campagne et en plus je sait faire compte tenu de ma double formation d' historien et de charpentier entre autre
envoyer moi votre adresse postale et je regarderai a mon retour si je peu vous envoyer de la doc , mais se type de charpente ne s'improvise pas il est souhaitable d avoir une bonne formation initiale ou bien avoir vu et avoir pratiqué
bien amicalement
etienne desthuilliers
Hello, en fait c'est assez simple , ici (a la fin du lien) il y a le moule charpente(coffrage)
romangothique....oute_ogive.html
Si tu as sketchup, il faut modéliser ton voile de voûte, et ensuite dessiner la charpente dessous !
Tu dois assembler les 4 voûtes, et ensuite (façon noues arêtiers) dessiner les arcs des arêtes !
Le tout démontable pas le dessous , à base se bois moisés !
Par contre, même pour des voûtes en berceau simple, il faut du plein cintre ou anse de panier afin de renvoyer les poussées vers le sol , et au vu des photos, ça va prendre beaucoup de place ??
Pour finir, c'est le tailleur de pierres qui doit dessiner le plan du voile (il lui incombe les calculs) , et le charpentier ne fait que les coffrages !
Bonjour Oak
Je ne suis pas sûr que cela puisse t'aider, mais voici une vidéo de Mr Chickadee qui construit un cellier vouté.
youtube.com/wa...h?v=G-_gWrdUQZ8
Peut-être que ce type de charpente provisoire, montée sur cale (coin ou cric hydraulique) déplacée d'un élément de voûte au suivant, pourrait le faire, en supposant que les pierres soient placées depuis le dessus (du moins les clefs de voûte)







bonjour
si tu as trois sous
la librairie du compagnonnage vend un extrait de l encyclopédie maçonnerie et pierre de taille un extrait de voutes et planchers
je possède bien évidement cette encyclopédie
mais si tu n a jamais fait je ne sais pas comment tu vas faire pour chiffrer
bien amicalement
le bâtisseur de service
Je vais me remuer les méninges Etienne. Je vais étudier, et je vais porter attention à toutes vos sources.
Merci de m'avoir prévenu pour l'encyclopédie. J'ai trois sous en cette fin d'année.
Quoi qu'il en soit si je ne me sens pas compétent, je déclinerai.
Mieux vaut un chantier annulé pour le charpentier, qu'un chantier raté pour le tailleur de pierre et le charpentier. En tant que jeune entrepreneur, ma marge d'erreur est faible